防盜報警器電路圖,電子警報器電路-KIA MOS管
信息來源:本站 日期:2025-06-11
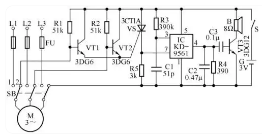
將本裝置與三相電動機引線相連接,平時電動機正常運轉,拉下刀開關,電動機停轉后,裝置自動進入報警狀態。
工作原理:SB是三相雙投刀開關,合在“1”的位置,電動機正常運轉,扳到“2”的位置裝置處于工作狀態,合上開關 S,裝置處于警戒狀態,斷開開關S,裝置處于解除警報狀態。將SB扳向“2”位置后,VT1、VT2基極經電動機M內部線圈接地,晶閘管VS關斷,IC觸發端無觸發電壓,揚聲器B不發聲。當有人偷盜電動機時,只要他拆開三相電動機三根引線中的任意兩根,都會使VT1或VT2進入飽和狀態,電流通過VT1或VT2,觸發VS導通,IC輸入端獲得正向觸發電壓,其輸出端輸出報警電信號,經 VT3 放大后驅動揚聲器 B發出報警聲。
這是一個基于三個晶體管的緊湊型電子警報器電路。該電路適用于與其他警報或警報器項目結合使用,例如防盜警報器、自動工廠警報器等或簡單的按下警報。
這里給出的電子警報器電路基于由 Q2 和 Q3(BC557 和 BC 37)組成的互補晶體管對,連接為非穩態多諧振蕩器,直接驅動揚聲器。晶體管 Q1 用于為電容器 C2 提供完全充電。當電源打開時。當按下按鈕開關S1時,電容器C2通過電阻R8緩慢放電。這使得電路以低頻振蕩,然后隨著電容器完全放電而增加到高頻并無限期地保持。當開關 P1 釋放時,輸出頻率緩慢下降,因為 C2 通過電阻 R6 和晶體管 Q2 的基極-發射極結充電至正電壓。當 C2 完全充電至電池正電壓時,電路停止振蕩。
這是一款低成本、簡單的電子警報器,僅由 9V 電池供電。該電路可以提供報警電路中的最終電路塊模塊,使用繼電器來激活它。
當按下開關時,C3 通過 R4 充電,時間常數為 0.47 秒。當釋放開關時,C3 開始通過 R7 和 R3 進行較慢的放電,時間常數約為 5 秒。運算放大器設置為壓控振蕩器。這個簡單的電子警報器電路中的控制電壓是 C3 充電和放電時電壓的指數上升和下降。
當振蕩器(引腳 7)的輸出切換為低電平時,C1 上殘留電荷,使引腳 5 保持在切換點以下。通過 R7 的電流與 C3 上的控制電壓成正比。該電流對 C1 進行放電,導致引腳 5 上的電壓以與 C3 上的電壓成比例的速率上升至開關點。
當達到切換點時,引腳 7 切換為高電平,并首先通過 C1 將引腳 6 拉高。這會導致運算放大器暫時難以開啟。但 C3 通過 D2 快速充電,導致引腳 5 上的電壓降至開關點以下,導致運算放大器再次關閉。
運算放大器輸出的正脈沖將固定量的電荷放入 C2,略微提高引腳 6 的電位。這會導致引腳 6 上的電位上升并有助于運算放大器的急劇關閉。此外,R5 和 C2 將引腳 6 上的上升沿延遲足夠長的時間,以獲得良好的輸出脈沖。
然后重復該循環。然而,在 C3 放電周期期間,C1 的充電速率隨著振蕩器的每次重復而降低(因為控制電壓較低),并且輸出頻率相應較低。在 C3 充電周期期間,情況相反。
輸出脈沖由第二個運算放大器緩沖,然后電流施加到驅動晶體管。輸出波形的占空比較低,但發出的聲音卻出奇的響亮。
聯系方式:鄒先生
座機:0755-83888366-8022
手機:18123972950(微信同號)
QQ:2880195519
聯系地址:深圳市龍華區英泰科匯廣場2棟1902
搜索微信公眾號:“KIA半導體”或掃碼關注官方微信公眾號
關注官方微信公眾號:提供 MOS管 技術支持
免責聲明:網站部分圖文來源其它出處,如有侵權請聯系刪除。
