led節能燈電路,led電路原理圖-KIA MOS管
信息來源:本站 日期:2025-06-11
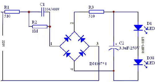
LED燈泡控制電路的元器件,包括電阻、電容、二極管,電路板很簡單,包含的元件并不多,如圖所示:
圖中只畫了部分LED,電容C1和電阻R1組成阻容降壓電路,降壓后通過橋式整流電路進行整流,整流后用電容進行濾波,然后通過限流電阻R3輸出電壓點亮2組LED燈,只需要這些元件就做成了一個LED燈泡。
LED節能燈電路圖
LED燈杯的實用電路圖,該燈以220V電源供電。經過C1降壓電容的降壓,220V交流電被全橋整流,再經過C2濾波,最終通過限流電阻R3為串聯的38顆LED提供穩定的恒流電源。每顆LED的額定電流為20mA。然而,在制作節能燈時,我們必須考慮諸多因素對LED的影響,諸如光衰和發熱問題。由于LED的安裝密度高,熱量難以散發,因此LED的溫度對其光衰和壽命產生顯著影響。若散熱不佳,將可能導致光衰減。此外,LED的特性決定其溫度升高時電流也會增大,這在制作大功率照明產品時尤為需要注意。散熱問題不僅影響LED的穩定性,還可能縮短其使用壽命。對于小功率LED,通常采用自散熱方式,因此在電路設計中需謹慎控制電流大小。
在圖示的電路中,R1作為保護電阻,R2是電容C1的卸放電阻,而R3限流電阻則用于防止電壓和溫度升高時LED電流過大。C2濾波電容的作用是在開燈瞬間吸收沖擊電流,保護LED不受損傷。由于C1的存在,開燈時會有一個較大的充電電流,但有了C2的介入,該電流被完全吸收,從而起到開燈防沖擊的保護作用。
此電路特別適用于小功率燈杯,具有體積小、便于安裝的特點,被廣泛用于各類燈杯產品中。其優點包括恒流源、低功耗、小巧經濟等。但在設計時需注意選用耐壓400V以上的滌綸或CBB電容作為降壓電容,濾波電容的耐壓則需達到250V以上。此電路可驅動20至40顆20mA的LED,滿足多種照明需求。
led節能燈電路原理圖
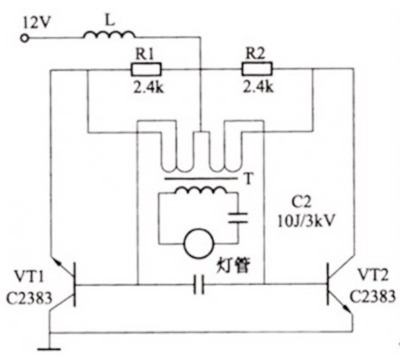
如圖所示是一款12V低壓節能燈電路,電流約2A,燈管的啟動電壓時經過12V電源接通后,由三極管VT1、VT2、C1和變壓器T組成的震蕩電路產生幾十千赫茲高頻交流電,并經過升壓變壓器T升壓后產生的。此電路中熒光燈的頻率很高,并且震蕩晶體管VT1、VT2、變壓器T都不發熱,功率因數較高,特別適合用于移動照明或長時間應急照明。供電電源也可以是任何一種10~14V直流電源,如用汽車的12V電瓶供電等。
聯系方式:鄒先生
座機:0755-83888366-8022
手機:18123972950(微信同號)
QQ:2880195519
聯系地址:深圳市龍華區英泰科匯廣場2棟1902
搜索微信公眾號:“KIA半導體”或掃碼關注官方微信公眾號
關注官方微信公眾號:提供 MOS管 技術支持
免責聲明:網站部分圖文來源其它出處,如有侵權請聯系刪除。
