自激式開關電源電路,單管自激電路圖分享-KIA MOS管
信息來源:本站 日期:2025-04-23
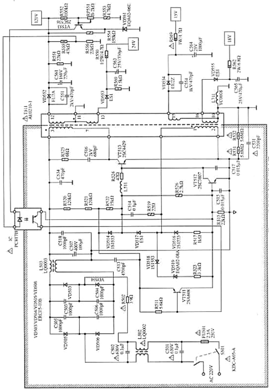
自激式單管開關電源中的開關管既可以采用三極管,也可以采用場效應管,這里采用的是三極管。開關管VT513起著開關及振蕩的雙重作用,省去了控制電路(一般沒有專用電源控制芯片)。
自激振蕩的過程:接通電源后,220V市電電壓經VD503~VD506整流、C507濾波,在濾波電容C507兩端得到近300V直流電壓,通過開關變壓器T511的3-7繞組加到開關管VT513的集電極。
同時該電壓還經啟動電阻R520~R522、R524為VT513的基極提供啟動電流,使VT513導通。T511繞組3-7中有電流通過并感應出3正、7負的感應電壓,同時1-2反饋繞組也感應出1正、2負的正反饋電壓,該電壓經R519、C514、R524加至VT513的基極,使VT513迅速飽和導通。
隨著C514充電電壓的升高,VT513基極電位逐漸變低,致使VT513退出飽和區,厶開始減小,在T511的1-2繞組感應出1負、2正相位相反的電壓,使VT513迅速截止。VT513截止后,T511的1-2繞組中沒有感應電壓,300V直流供電輸入電壓又經R520~R522給C514反向充電,逐漸提高VT513基極電位,使其重新導通,再次翻轉達到飽和狀態,電路就這樣重復振蕩下去。
從開關變壓器T511的同名端(T511中的小圓點)可以看出,這是一個反激型開關電源,也就是說,當開關管VT513導通時,開關變壓器T511的3-7 -次繞組感應電壓為3正、7負,而二次繞組11-12感應電壓為11正、12負,整流二極管VD552處于截止狀態,在一次繞組3-7中儲存能量。當開關管VT513截止時,變壓器T511 -次繞組3-7中存儲的能量,通過二次繞組及VD552整流和電容C561濾波后向負載輸出。
自激式單管開關電源的啟動電阻一般由幾只電阻組成(如本例中的R520—R522),啟動電阻的一端一般接300V直流端,另一端接開關管的基極,以便為開關管提供基極電流。
自激式開關電源與他激式開關電源相比,穩壓控制原理是一致的,都是通過控制開關管的導通時間來實現穩壓的。穩壓電路的形式也是一致的,既有直接取樣穩壓電路,又有間接取樣穩壓電路。
需要說明的是,自激式開關電源由于沒有電源控制芯片,因此,穩壓電路元器件較多,電路稍復雜,對于本例,穩壓電路主要由VT553、VD561、R552、RP551、R553、VT511.IC、VT512及周邊元器件組成,取樣方式為直接取樣,具體穩壓過程如下。
當由于負載變輕等原因使開關電源輸出電壓120V上升時,取樣電路R552、RP551、R553的分壓增高,誤差放大管VT553的基極電位上升,由于發射極被VD561鉗位,于是VT553的集電極電位降低,流過光電耦合器IC內發光二極管的電流增大,發光強度增大,導致其中光敏三極管集電極、發射極間電阻減小,即開關管VT511的基極、集電極間電阻下降,使VT511的基極電位下降,集電極電壓升高,使VT512導通量增大,開關管VT513的基極被分流,控制開關管VT513導通時間減小,即VT513提前截止(脈寬減小),輸出電壓下降。反之則結果相反。
自激式開關電源一般不采用開關電源控制芯片,其保護電路一般也由分立元器件組成,本例中,設有以下保護電路。
(1)市電輸入電壓過高保護
該保護電路由VD518、VD519、R523及VT512組成。市電電壓正常時VD518、VD519對VT512工作狀態沒有影響;當市電電壓過高時,300V電壓升高,變壓器T511的3~7繞組的電流將增大,反饋繞組1端感應的正電壓隨之升高,當1端電壓升到一定值時,通過VD518使VD519工作在擊穿狀態,此時,T511的1端正反饋電壓經VD518、VD519、R523和VT512的發射極短路到地,使正反饋停止,VD513停振,從而起到市電電壓過壓保護的作用。
(2)電源電路輸出電壓過壓保護
當120V主電壓輸出過高時,負載電壓使光電耦合器IC發光二極管發光強度大增,使光敏三極管集電極、發射極間電阻大大降低,從而使VT512飽和導通,導致VT513的基極接地而停振,電源無輸出。
聯系方式:鄒先生
座機:0755-83888366-8022
手機:18123972950(微信同號)
QQ:2880195519
聯系地址:深圳市龍華區英泰科匯廣場2棟1902
搜索微信公眾號:“KIA半導體”或掃碼關注官方微信公眾號
關注官方微信公眾號:提供 MOS管 技術支持
免責聲明:網站部分圖文來源其它出處,如有侵權請聯系刪除。
