三級放大器,三級放大電路原理圖-KIA MOS管
信息來源:本站 日期:2025-04-23
三級放大電路用于將輸入信號放大到較大幅度的輸出信號。它由輸入級、中間放大級和輸出級組成。
輸入級是三級放大電路的第一級,負責接收輸入信號并放大。它通常由一個放大器電路構成,可以將微弱的輸入信號轉化為較大的電壓或電流。輸入級的設計非常重要,因為它直接影響到整個電路的性能和穩定性。
中間放大級是三級放大電路的第二級,起到放大信號的作用。它通常由多個放大器級聯而成,每個放大器的增益都比前一個放大器大。中間放大級的設計需要考慮放大器的線性度、功耗和噪聲等因素。
輸出級是三級放大電路的最后一級,負責將信號放大到最終的輸出幅度。它通常由一個功率放大器構成,可以提供足夠的功率驅動負載。輸出級的設計需要考慮功率放大器的效率、穩定性和失真等因素。
三級放大電路的原理是通過級聯多個放大器,每個放大器的增益都比前一個放大器大,從而實現對輸入信號的放大。每個放大器的輸出信號經過濾波和校正后,再輸入到下一個放大器進行放大。最后,經過輸出級的放大,信號達到所需的輸出幅度。
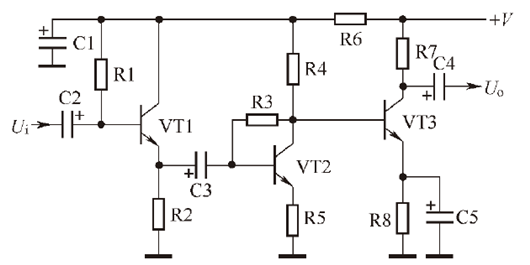
圖所示是一個由3 只三極管構成的三級放大器。
1.放大器類型分析
關于這一三級放大器的類型說明如下:
(1) VT1 是輸入級放大器,接成共集電極放大器。
(2) VT2 是第二級放大器,接成共發射極放大器,第一級與第二級放大器之間采用電容C3 耦合。
(3) VT3 構成第三級放大器,接成共發射極放大器,與第二級電路之間采用直接耦合。
2.直流電路分析
(1) R1 是VT1 偏置電阻,VT1 采用固定式偏置電路。R2 是VT1 發射極負反饋電阻,VT1 集電極直接接直流工作電壓+V 端。
(2) R3 是VT2 偏置電阻,VT2 采用基極-集電極負反饋式偏置電路。R4 是VT2 集電極負載電阻,同時又是VT3 上偏置電阻。R7 是VT3 集電極負載電阻,R8 是VT3 發射極直流負反饋電阻。
3.信號傳輸過程分析
這一多級放大器的信號傳輸及放大過程是:輸入信號Ui→ C2(輸入端耦合電容)→VT1 基極→ VT1 發射極(電流放大)→ C3(級間耦合電容)→ VT2 基極→ VT2 集電極(電壓和電流放大)→ VT3 基極(直接耦合)→VT3 集電極(電壓和電流放大)→ C4(輸出端耦合電容)→輸出信號Uo,送到下一級電路中。
電路故障分析
(1)由于第一級放大器與后面兩級電路之間采用電容C3 耦合,所以當第一級放大器中的直流電路出現故障時,對后面兩級電路的直流電路沒有影響,但是沒有正常的交流信號加到后面的放大器中。同樣,若后兩級放大器中的直流電路出現問題,對輸入級直流電路沒有影響。
(2)當電路中有任何一級放大器出現故障,這一多級放大器的交流輸出信號都不正常,但在故障點之前的放大器工作正常。
聯系方式:鄒先生
座機:0755-83888366-8022
手機:18123972950(微信同號)
QQ:2880195519
聯系地址:深圳市龍華區英泰科匯廣場2棟1902
搜索微信公眾號:“KIA半導體”或掃碼關注官方微信公眾號
關注官方微信公眾號:提供 MOS管 技術支持
免責聲明:網站部分圖文來源其它出處,如有侵權請聯系刪除。
