穩壓器電路圖原理圖,穩壓電源電路分享-KIA MOS管
信息來源:本站 日期:2025-04-22
穩壓器是使輸出電壓穩定的設備。穩壓器由調壓電路、控制電路、及伺服電機等組成。當輸入電壓或負載變化時,控制電路進行取樣、比較、放大,然后驅動伺服電機轉動,使調壓器碳刷的位置改變,通過自動調整線圈匝數比,從而保持輸出電壓的穩定。
1、單相補償式穩壓器
下圖為帶補償式單相交流穩壓器原理圖,它主要由調壓變壓器T1和補償變壓器T2組成。
從上圖中可以看出,補償變壓器低壓側的線圈串聯在穩壓器的主回路中,所以這種穩壓器輸出的能量主要是通過補償變壓器的低壓側線圈直接給輸出負載的,只要把補償變壓器的二次線圈的線徑做得足夠大,穩壓器的功率就可以做得很大。
調壓變壓器T1只要負擔輸入電壓與輸出電壓的差額部分,按穩壓器可允許的輸入變化范圍的大小不等,調壓變壓器T1的功率大小往往是穩壓器實際容量的幾分之一,這由穩壓器的配比這個參數來決定調壓變壓器的大小。
2、單相SVC直接調壓穩壓器
如下圖所示,為單相SVC直接調壓穩壓器的工作原理圖,其主要工作原理如下:
A點為單相穩壓器輸入側,B點為輸出側。其實這一類用調壓器直接調壓式的穩壓器就是利用這種穩壓器的取樣電路時刻監視穩壓器的輸出兩點間電壓,輸出電壓升高時,控制電機朝自耦變壓器降壓的方向移動(A點所對應的箭頭向上移動),當輸出電壓達到所要的電壓時,停止控制電機運動。反之控制電路則控制電機朝自耦變壓器升壓的方向轉動(A點所對應的箭頭向下移動),直至達到所要的電壓時停止。
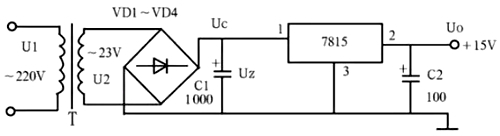
如上圖所示,是用三端穩壓塊7815組成的穩壓電源的電路圖。圖中的T為電源變壓器,市電220V經T降壓,在變壓器付方繞組為23V的交流電,然后經VD1~VD4整流、C1濾波變為較為平滑的直流電后,再送至穩壓塊7815穩壓,經電容C2濾波,輸出直流電壓+15V,供給負載。
聯系方式:鄒先生
座機:0755-83888366-8022
手機:18123972950(微信同號)
QQ:2880195519
聯系地址:深圳市龍華區英泰科匯廣場2棟1902
搜索微信公眾號:“KIA半導體”或掃碼關注官方微信公眾號
關注官方微信公眾號:提供 MOS管 技術支持
免責聲明:網站部分圖文來源其它出處,如有侵權請聯系刪除。
