放大電路圖,放大電路原理-KIA MOS管
信息來源:本站 日期:2024-12-04
放大電路是一種將輸入信號放大的電路。它的工作原理基于放大元件(如晶體管或運放)的特性和配置。
放大電路的組成包括信號源、放大器件、偏置電路、負載等。信號源提供待放大的微弱信號,放大器件通過控制電流或電壓的變化來放大信號,偏置電路確保放大器件在合適的偏置條件下工作,負載則接收放大的信號。
放大電路原理
放大電路的工作原理是通過控制放大元件的輸入電流或輸入電壓,以放大輸入信號,得到相對較大的輸出信號。
放大電路可以分為電壓放大電路、電流放大電路和功率放大電路。根據組成元件的不同,放大電路還可以分為晶體管放大電路和場效應管放大電路。
晶體管放大電路的工作原理:
輸入信號通過耦合電容器或輸入電阻進入晶體管的基極。
晶體管的基極-發射結極性會根據輸入信號的正負半周產生變化,激發基極電流和集電極電流的變化。
基極電流的變化通過晶體管的放大作用,使得集電極電流的變化遠大于基極電流的變化。
輸出電路通過耦合電容器或輸出電阻連接到晶體管的集電極,將放大后的信號傳遞至下一級電路或負載。
運放放大電路的工作原理:
輸入信號通過運放的非反饋輸入端(標號“+”)進入電路。
運放內部有一個差動放大器,將輸入信號放大。
放大后的信號通過運放的反饋機制重新注入非反饋輸入端(標號“-”),進行負反饋。
負反饋機制使運放的輸出信號與輸入信號差別最小,從而使得運放的放大倍數穩定,并且輸出端電壓在一定范圍內線性變化。
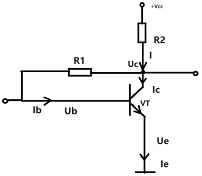
電壓負反饋放大電路
所謂反饋是指從電路的輸出端取一部分電壓(或電流)反送到輸入端。如果反送的電壓(或電流)使輸入端電壓(或電流)減弱,即起抵消作用,這種反饋稱為“負反饋”;如果反送的電壓 (或電流)使輸入端電壓(或電流)增強,這種反饋稱為“正反饋”。
從反饋的角度分析電路,首先,發射極接地電壓為0,由于三極管基極和發射極的導通電壓為固定的0.7V,所以Ub=0.7V。溫度升高,Ic變大,流經R2的總電流I增大,所以UR2增大,由于R2一端接VCC(固定電壓),所以Uc點電壓減小;發射極接地電壓為0,由于三極管基極和發射極的導通電壓為固定的0.7V,所以Ub=0.7V,而Uc減少這就導致UR1減小,所以Ib就會減少,Ib減少就會導致Ic也減少。
通過上述描述可以看到Ic的變化轉一圈最后又導致了Ic的減少,這就是負反饋,也是電壓負反饋電路放大電路的原理,電阻R1起負反饋作用。
實際上,電壓負反饋放大電路并不包括上圖一種,也可以把電阻接在發射極,如下圖,這兩個負反饋電路都有一個共同點,就是干路電阻的一端的電壓都是固定值。
負反饋過程:當Ic增大時,由于Ie=Ib+Ic,所以Ie增大,Ie增大使UR3增大,由于R3一端電壓為0V,所以發射極的電壓Ue增大由于發射極和基極的電壓差為0.7V,所以基極電壓Ub增大,由于R2的一端電壓固定,所以UR2減小,所以Ib減小,Ib減小使Ic也減小,由此形成負反饋。R3起負反饋作用。
分壓式偏置放大電路
分壓式偏置放大電路它也可以克服固定偏置放大電路無法穩定靜態工作點的缺點且效果比電壓負反饋放大電路好,它是一種應用最廣泛的放大電路。
I1=I2+Ib
由于Ic的電流是Ib的好多倍,所以可以看作Ic≈Ie。Ie=UR4/R4。因為Ub-Ue=0.7V,所以Ue=0.7+Ub。通過R1和R2的合理取值,使得I2>Ib,即I1≈I2,Ib電流極小可以忽略,所以VCC被R1和R2分走,所以Ub=[R1/(R1+R2)]×VCC,又因為電阻R4一端接地,所以UR4=Ue。
由上述各公式可以得出Ic≈Ie=(Ub+0.7)/R4,可以看出Ic是固定不變的 。
這個電路也是有缺點的,R1 R2不能選的太大也不能選的太小,即使選的合適也會有較大功耗。
聯系方式:鄒先生
座機:0755-83888366-8022
手機:18123972950(微信同號)
QQ:2880195519
聯系地址:深圳市龍華區英泰科匯廣場2棟1902
搜索微信公眾號:“KIA半導體”或掃碼關注官方微信公眾號
關注官方微信公眾號:提供 MOS管 技術支持
免責聲明:網站部分圖文來源其它出處,如有侵權請聯系刪除。
