電路知識:非門多諧振蕩器電路-KIA MOS管
信息來源:本站 日期:2023-04-26
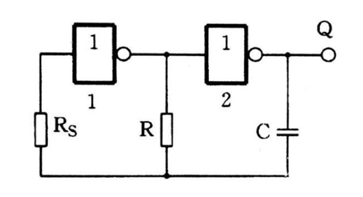
兩個非門組成的振蕩器
振蕩原理:
假設Q為低電平,則非門2的輸入端為高電平,經過R對C充電,C的電壓上升,直到非門1輸入端的電壓達到反轉電壓,此時非門1的輸出變為低電平,Q變為高電平。
此時,Q點、C、R、非門2的輸入端,極性反轉,相對于之前變為放電回路,然后轉為反向充電,C的電壓下降,直到非門1輸入的電壓達到反轉電壓,此時非門1的輸出變為高電平,Q變為低電平。
如此循環,形成振蕩,在Q端輸出方波。
如果非門的反轉電壓為電源電壓的1/2。
則振蕩周期:T≈2.2·R·C
Rs用于穩定振蕩頻率,驅使為6~10倍的R。
三個非門組成的振蕩器

原理和兩個非門的差不多,但是相比起兩個非門的振動器更容易起振,工作更穩定,還能獲得更高的振蕩頻率。
三個非門組成的可變占空比振蕩器
通過滑動電位器RP使占空比可調。
充電回路(RP2+R)·C
放電回路(RP1+R)·C
另外,用施密特觸發器組成的多諧振蕩器比用一般門電路組成的,更簡單,頻率更寬,受到電源電源和溫度的影響更小。
聯系方式:鄒先生
聯系電話:0755-83888366-8022
手機:18123972950
QQ:2880195519
聯系地址:深圳市福田區金田路3037號金中環國際商務大廈2109
請搜微信公眾號:“KIA半導體”或掃一掃下圖“關注”官方微信公眾號
請“關注”官方微信公眾號:提供 MOS管 技術幫助
免責聲明:本網站部分文章或圖片來源其它出處,如有侵權,請聯系刪除。
