常見電路方案分享,限時特惠優質mos管型號-KIA MOS管
信息來源:本站 日期:2025-12-12
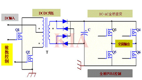
逆變器方案:
逆變器/電機MOS管KND3080
KND3080是一款N溝道邏輯電平增強模式功率MOSFET,漏源擊穿電壓30V,漏極電流80A,采用先進的溝槽技術制造,提供卓越的開關性能;極低導通電阻RDS(開啟) 4.3mΩ,最大限度地減少導電損耗,減少導通損耗,超低柵極電荷,高效低耗;CdV/dt效應顯著下降、100% ΔVds測試、100%UIS測試,穩定可靠、綠色器件可用;廣泛應用于逆變器、電機控制和驅動、電池管理等;封裝形式:TO-252,體積小,散熱出色。
電動車控制器方案:
MOS管在電動車中扮演著核心角色,尤其在電池管理系統(BMS)、充電系統以及報警器中發揮著關鍵作用。
電動車報警器MOS管KPD7910A
電動車防盜報警器專用MOS管KPD7910A采用先進的溝槽技術制造,漏源擊穿電壓-100V,漏極電流-28A,RDS(on) = 60mΩ,具有低導通電阻 ,開關速度快,優秀的QgxRDS產品(FOM),符合JEDEC標準,高效穩定;廣泛應用于電機控制與驅動、電池管理、不間斷電源中,封裝形式:TO-252。KPD7910A參數能夠完美匹配NCE01P18,其他替代型號為:CMD5950、SVT10500、DH100P30。
鋰電池保護板MOS管應用
MOS管在鋰電池保護板中作為核心開關器件,通過控制充放電回路通斷實現電池保護。
應用場景
消費電子:30V耐壓、40A電流的MOS管用于手機/耳機保護板。
電動工具:40V耐壓、50A電流的MOS管支持高負載。
鋰電池保護板MOS管KIA2803AB
KIA2803AB漏源擊穿電壓30V,漏極電流150A,采用先進的溝槽工藝設計,極低導通電阻RDS(on)=2.2mΩ,低柵極電荷,最大限度地減少導電損耗,最小化開關損耗;具有快速切換、100%雪崩測試、允許高達Tjmax的重復雪崩、無鉛,符合RoHS標準,在鋰電池保護板、無刷電機、電源應用中高效穩定可靠,封裝形式:TO-263。
限時特惠!KIA高性能MOS管現貨特價型號
KIA優質MOS管廠家擁有豐富的MOS場效應管產品,具備出色性能以及價格優勢,產品系列應用廣泛,助力低功率至高功率應用,可申請免費樣品以及技術支持、MOS管選型服務、現貨速發!
您可以聯系我們獲取專屬報價單,或訪問官網查看詳細參數。
聯系方式:鄒先生
座機:0755-83888366-8022
手機:18123972950(微信同號)
QQ:2880195519
聯系地址:深圳市龍華區英泰科匯廣場2棟1902
搜索微信公眾號:“KIA半導體”或掃碼關注官方微信公眾號
關注官方微信公眾號:提供 MOS管 技術支持
免責聲明:網站部分圖文來源其它出處,如有侵權請聯系刪除。
