電路設計如何降低esd靜電,解決方法分享-KIA MOS管
信息來源:本站 日期:2025-05-09
使用鉗位二極管:
鉗位二極管最常用于集成電路中,以保護器件免受ESD的損壞。微控制器、數字信號控制器和處理器通常具有內部的ESD鉗位二極管。如果低成本控制器內部沒有鉗位二極管,可以在外部添加一個鉗位二極管,通常用于保護編程引腳和復位引腳。
IC固有的ESD鉗位二極管
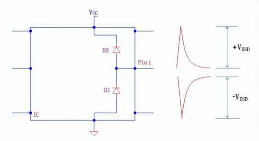
正常工作時,假設引腳1的電壓預計在0-3.3V之間,D1和D2不會干擾。假設高電平為3.3V,則D1反偏不導通,另一方面D2也是不導通的,因為陰極連接到VCC,引腳的高電平等于VCC。當引腳1中的電壓為0時,D2反向偏置,D1無偏置。
當存在由ESD引起的高壓尖峰時,二極管會導通。例如:尖峰非常高,D2將正向偏置,尖峰將轉移到VCC,從而保護IC的內部組件。當存在非常高的負尖峰時,D1將傳導并將尖峰轉移到地面。
這里必須要了解清楚使用的IC是否具有保護。如果沒有的話,就在外部添加鉗位二極管。如下圖所示:
在外部添加鉗位二極管
如果打算在IC的所有引腳中都添加鉗位二極管的話,那是肯定不行,而且成本也會很高。通常來說,在產品制造并放入外殼后,IC將不能再用,鉗位二極管需要實現的特性引腳比較少。當然鉗位二極管可以用硅二極管或者肖特基二極管。
使用瞬態電壓抑制器
瞬態電壓抑制器是快速作用的鉗位二極管,不是普通的PN二極管,例如上面的鉗位二極管。
TVS在作用和功能方面和鉗位二極管差不多。一旦達到其擊穿電壓,器件就會鉗位,否則為開路。
下圖顯示了常見的TVS符號,圖A、B為雙向TVS,C為單向TVS。雙向TVS可以阻止ESD正向或負向尖峰。另一方面,單向的只能抑制一個定向尖峰。
使用齊納二極管
使用齊納二極管作為ESD保護與單向TVS原理相同,齊納二極管的缺點是不如TVS快,并且考慮到TVS相同的尺寸,只能處理較小的能量,需要更大的齊納二極管來承受能量,但是會占用PCB的空間,成本也會更高。
合理布局和布線:
在PCB設計中,合理的布局和布線可以減少ESD的影響。高頻信號線應遠離敏感元件,地線應盡量短且寬,以確保地電位的穩定。此外,使用屏蔽措施,如金屬外殼或屏蔽材料包裹敏感電路,也可以隔絕外部干擾。
選擇合適的元件:
在抗干擾設計中,選擇合適的電容和電感、使用抗干擾元件(如共模扼流圈、TVS二極管等)也是非常重要的。這些元件可以有效抑制高頻噪聲,提高電路的抗干擾能力。
聯系方式:鄒先生
座機:0755-83888366-8022
手機:18123972950(微信同號)
QQ:2880195519
聯系地址:深圳市龍華區英泰科匯廣場2棟1902
搜索微信公眾號:“KIA半導體”或掃碼關注官方微信公眾號
關注官方微信公眾號:提供 MOS管 技術支持
免責聲明:網站部分圖文來源其它出處,如有侵權請聯系刪除。
