ujt,單結晶體管觸發電路,原理圖,工作原理-KIA MOS管
信息來源:本站 日期:2024-07-12
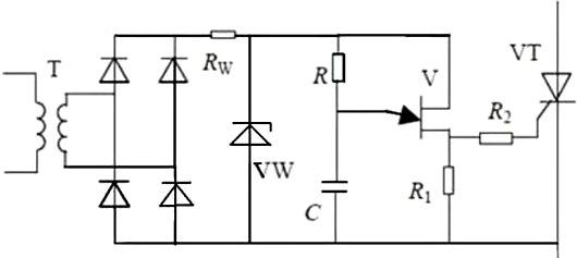
電路組成:
1.同步降壓變壓器T,作用是把220v交流電降壓,且相位和市電一致。
2.橋式整流電路,把交流電變為脈動直流電。
3.穩壓二極管Vw和Rw作用是削波,把脈動直流變為梯形波。
4.R是限流電阻,它的大小直接影響電容器c的充電速度,進一步影響晶閘管的控制角和導通角。
5.單結晶體管,和電阻R,電容器c,電阻R1組成弛張振蕩器,為晶閘管提供觸發脈沖。
圖中下半部分是半控橋整流電路,上部分為單結晶體管觸發電路
單結晶體管的電源不是采用直流電源,而是由降壓變壓器二次側經橋式整流后,再用穩壓管限幅,削區整流波的波頂部分,從而得到一個個梯形波。
以此作為單結晶體管電源,其目的是使單結晶體管振蕩器在每個梯形波結束時刻,由于電源電壓為零,使電容上電壓亦為零,在下一個梯形波開始時刻,電容c均是從零壓開始充電到峰點電壓,因而每個梯形波所產生的第一個脈沖所需要的時間均相同,而梯形波過零時刻與晶閘管電壓過零時刻是相同的,故而第一個觸發脈沖的控制角均相同,這樣輸出電壓波形中晶閘管在每個半波內的導通角相同,這稱為同步觸發。
盡管在每個梯形波期間內,振蕩器還會產生多個脈沖,但晶閘管受第一個脈沖觸發導通后,以后的脈沖均不起作用。
改變電位器RP的值,可改變電容充電的快慢,從而控制每個梯形波第一個脈沖出現的時刻,達到調節整流電壓的目的,單結晶體管產生的脈沖同時觸發兩個晶閘管的門極,在某個半波時,其中一個晶閘管正偏則觸發導通,另一個晶閘管反偏雖然觸發但不能導通。
用一個晶體管代替可調電阻,利用改變晶體管基極電流能改變其等效電阻的原理。把手控方式改為電壓控制方式。
圖中V2(PNP)管是利用其等效電阻代替電位器RP,V1(NPN)管作為直接耦合放大器,控制信號ui由三極管基極輸入,當ui增大時,V1管集電極電流和V2管基極電流增大,V2管的等效電阻減小,使電容充電加快,觸發脈沖提前發出,控制角減小,整流輸出電壓升高。
聯系方式:鄒先生
聯系電話:0755-83888366-8022
手機:18123972950(微信同號)
QQ:2880195519
聯系地址:深圳市福田區金田路3037號金中環國際商務大廈2109
請搜微信公眾號:“KIA半導體”或掃一掃下圖“關注”官方微信公眾號
請“關注”官方微信公眾號:提供 MOS管 技術幫助
免責聲明:本網站部分文章或圖片來源其它出處,如有侵權,請聯系刪除。
