光耦驅動mos管電路圖,電路原理分享-KIA MOS管
信息來源:本站 日期:2024-05-13
在電路電氣的隔離設計中通常使用的電氣隔離手段是磁隔離和光隔離。磁隔離需要設計合適的變壓器,光隔離需要選擇合適的光耦器件。MOS管的隔離驅動是應用在大功率的多管橋式變換電路中,當功率電路要求和控制電路必須隔離時也必須采用隔離驅動的設計。
上圖是一個采用正激隔離變壓器實現電氣隔離的驅動電路。控制芯片采用了UC3844,其輸出為高電平時,輸出電流經過R4、C1給變壓器初級線圈勵磁。次級線圈為高電平輸出,通過驅動電阻R1來驅動MOS管導通。
當UC3844為低電平輸出時,變壓器磁場不能馬上突變,即通過VD2、R4、C1回路來進行磁復位,此時次級繞組為反向電壓輸出,對柵極電荷進行迅速抽離,隨著變壓器磁復位結束柵源電壓變為0V,3844的輸出占空比最大為50%也能保證足夠磁復位時間。
C2的作用是,使交流成份不流入線圈;吸收電感兩端的尖峰電壓。增加R3是為了防止次級線圈和C2產生自激振蕩,這和驅動電阻R1的作用是類似的。在驅動電平處理比較好的驅動電路中,R3、C2是可以去掉的,這時需要調節R1使驅動波形不至于產生共振干擾,同時還要滿足一定的驅動效果,比如合適功率管應力指標以及合適的功率管發熱。
采用隔離變壓器驅動電路主要應用于單管需要隔離的小功率電路,也會應用到雙功率管電路中,一般場景是驅動時序要求一樣并且功率管之間需要隔離。為了保證磁復位占空比不能超過50%。
采用隔離變壓器需要避免次級繞組電感和輸出端寄生電容形成諧振,驅動波形需要適當的濾波和限幅保護。當驅動脈寬較窄時,由于是儲存的能量減少,在關斷續流時輸出感應負電壓較低,導致MOS管柵極的關斷速度變慢。
在大功率電路橋式多管使用場景里,采用上面隔離驅動變壓器的驅動方案顯然不大合適。但橋式多管電壓變換中驅動也是需要隔離的。除了直接使用MOS管驅動變壓器實現隔離之外,還可以使用隔離驅動電源加隔離驅動信號來實現。這種隔離驅動除了要求有獨立的驅動電源,還要求驅動脈沖的隔離。
如下圖是隔離電源電路而圖6利用光耦進行驅動脈沖的隔離。圖中的隔離電源是通過脈沖發生芯片CD4093產生固定占空比的驅動脈沖,輸出給圖騰柱電路后直接給正激變壓器,正激變壓器輸出在整流后通過電容的濾波以及穩壓管的穩壓形成穩定的驅動電壓。
隔離電源可以設計成雙電源也可以設計成單電源。雙電源就是可以實現正、負兩個極性的驅動輸出。對于MOS管來說負電源意味著有效快速的進行功率管關斷,并且可以避免驅動干擾所引起的誤開通,所以對于大功率橋式電路中大多采取雙電源。
單電源就是關閉的時候驅動輸出是0V低電平,對于非橋式、功率小以及驅動干擾不大的場合也可選擇單電源工作。直接耦合驅動拓撲一般采用單電源驅動形式。
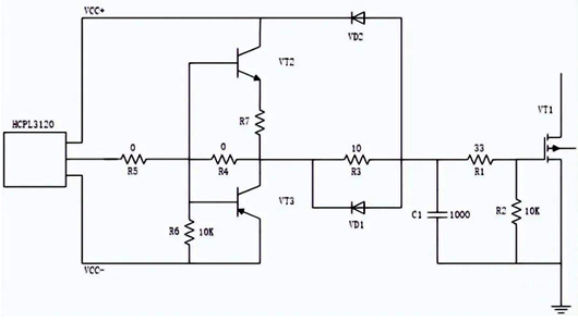
下圖光耦的左側是控制電路,驅動信號來自控制芯片。右側使用隔離的雙電源,同時增加一級圖騰柱電路來驅動MOS功率管。MOS管的源極是隔離電源的“地”,而柵極地驅動波形將是相對于“地”的正或負脈沖。
VD2是一個電壓嵌位二極管用于保護MOS管柵源之間的電壓過沖。VD1是加速關斷二極管。
聯系方式:鄒先生
聯系電話:0755-83888366-8022
手機:18123972950(微信同號)
QQ:2880195519
聯系地址:深圳市福田區金田路3037號金中環國際商務大廈2109
請搜微信公眾號:“KIA半導體”或掃一掃下圖“關注”官方微信公眾號
請“關注”官方微信公眾號:提供 MOS管 技術幫助
免責聲明:本網站部分文章或圖片來源其它出處,如有侵權,請聯系刪除。
