數模轉換電路圖,數模轉換電路原理-KIA MOS管
信息來源:本站 日期:2023-12-25
數模轉換器,即D/A轉換器,簡稱DAC,是將數字數據轉換為模擬信號的設備。數模轉換就是將離散的數字量轉換為連接變化的模擬量,實現該功能的電路或器件稱為數模轉換電路,通常稱為D/A轉換器或DAC。
數模轉換的內部電路構成無太大差異,一般按輸出是電流還是電壓、能否作乘法運算等進行分類。
D/A轉換器基本上由4個部分組成,即權電阻網絡、運算放大器、基準電源和模擬開關。
解碼原理
D/A轉換的解碼原理涉及到代數的基本定律,如下所示:
說白了就是任意一個非負整數A,都可以用一個t進制數表示。其中,t表示進制數,比如常用的t=2就表示二進制的進制數,n表示位數,ai即對應位數上的數值。
那么,如果將上式中的A換成要轉換的模擬量,就可以看成是對多個較小模擬量tn加權求和得到,權值即為ai(i=0,1,2,...,n)。
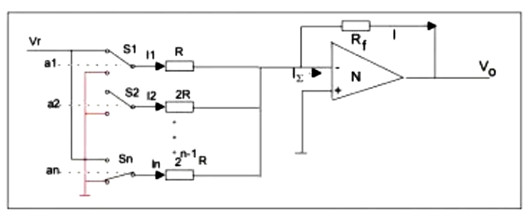
權電阻網絡D/A轉換器
這里給出一種工作原理簡明的權電阻網絡D/A轉換電路如下圖所示:
T型R-2R電阻網絡D/A轉換器
如下圖所示是一種實用的T型電阻網絡D/A轉換電路:
在該電路中,由于運算放大器的虛短特性,不論開關處于何種狀態,S1~Sn的各點電位均可認為0(虛地或實地)。
那么,從右到左觀察圖中N、M、...、B、A各點,從各點向右看對地電阻都是R;從左到右分析,可得各路的電流分配,其規律是IR/2、IR/4、...、IR/2n-1、IR/2n。
滿足按權分布的要求,可得:
從而實現D/A轉換。
聯系方式:鄒先生
聯系電話:0755-83888366-8022
手機:18123972950(微信同號)
QQ:2880195519
聯系地址:深圳市福田區金田路3037號金中環國際商務大廈2109
請搜微信公眾號:“KIA半導體”或掃一掃下圖“關注”官方微信公眾號
請“關注”官方微信公眾號:提供 MOS管 技術幫助
免責聲明:本網站部分文章或圖片來源其它出處,如有侵權,請聯系刪除。
