mos管n溝道和p溝道的區別,一文就懂!-KIA MOS管
信息來源:本站 日期:2023-11-01
MOS管由源極、漏極和柵極三個電極組成。根據柵極和溝道之間的型別不同,MOS管可分為P型MOS管和N型MOS管,PMOS管中的溝道為P型溝道,而NMOS管中的溝道為N型溝道。
工作原理
N溝道MOS管是以N型溝道為主導的場效應晶體管。當電壓施加到門極時,形成的電場使得N型溝道區域導電。電子在N溝道中的流動形成電流,從而控制器件的導電能力。
P溝道MOS管則是以P型溝道為主導的場效應晶體管。當電壓施加到門極時,形成的電場使得P型溝道區域導電。載流子的流動決定了P溝道MOS管的導電能力。
結構差異
N溝道MOS管的結構中,晶體管的基底為P型硅,而門電極是通過氧化層與基底電隔離的。N型溝道位于P型基底上方,形成N溝道-P型基底的結構。
P溝道MOS管的結構中,晶體管的基底為N型硅,門電極同樣通過氧化層與基底電隔離。P型溝道位于N型基底上方,形成P溝道-N型基底的結構。
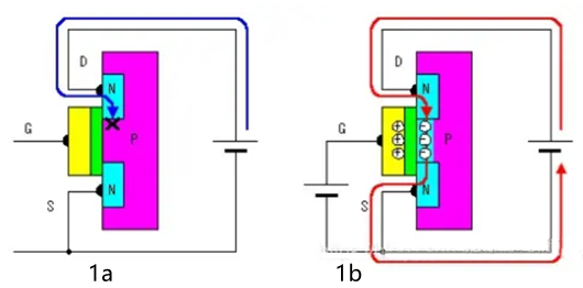
mos管n溝道和p溝道工作原理圖
P溝道的源極S接輸入,漏極D導通輸出,N溝道相反;簡單來說給箭頭方向相反的電流就是導通,方向相同就是截止。
僅含有一個P--N結的二極管工作過程,如下圖所示,我們知道在二極管加上正向電壓時(P端接正極,N端接負極),二極管導通,其PN結有電流通過,這是因為在P型半導體端為正電壓時,N型半導體內的負電子被吸引而涌向加有正電壓的P型半導體端,而P型半導體端內的正電子則朝N型半導體端運動,從而形成導通電流。
同理,當二極管加上反向電壓(P端接負極,N端接正極)時,這時在P型半導體端為負電壓,正電子被聚集在P型半導體端,負電子則聚集在N型半導體端,電子不移動,其PN結沒有電流通過,二極管截止。
對于N溝道場效應管(見圖1),在柵極沒有電壓時,由前面分析可知,在源極與漏極之間不會有電流流過,此時場效應管處于截止狀態(圖1a),當有一個正電壓加在N溝道的MOS場效應管柵極時(見圖1b),由于電場的作用,此時N型半導體的源極和漏極的負電子被吸引出來涌向柵極;
但由于氧化膜的阻擋,是的電子聚集在兩個N溝道之間的P型半導體中(見圖1b),從而形成電流,使源極和漏極導通,我們也可以想象為兩個N型半導體之間為一條溝,柵極電壓的建立相當于為它們之間搭建了一座橋梁,該橋的大小由柵壓的大小決定。
圖2給出了P溝道的MOS場效應管的工作過程,其工作原理類似。
1、從外形上看:
p溝道的mos管比同規格的n溝道的要粗一些;
2、從導電性能看:
p溝道和n溝道相比,前者要比后者的電阻低一些(當然這只是一個方面)。
3、從耐溫性看:
一般來說,相同規格下同等材質的情況下(如都是硅片),p溝道的耐高溫能力要強于n型。
4、從穩定性上比較:
由于工藝的不同導致兩者之間的差異較大;
5、從價格上分析:
由于制作工藝不同、原材料的不同以及成本等因素的影響使得兩者的價格相差很大。
特性區別:
1、開關特性
N溝道MOS管在開關特性上表現得更好。它們的開啟和關閉速度快,具有較低的導通電阻和較高的導通電流。這使得N溝道MOS管廣泛應用于高頻率和大功率電路等領域。
P溝道MOS管在開關特性上相對較差。它們的開啟和關閉速度較慢,導通電阻較大,并且導通電流相對較小。因此,P溝道MOS管常用于低功率應用,如電源管理和集成電路等。
2、控制電壓
N溝道MOS管的控制電壓為正電壓。當門-源電壓高于某一閾值電壓時,N溝道MOS管開始導通。相對地,當門-源電壓低于閾值電壓時,N溝道MOS管處于截止狀態。
P溝道MOS管的控制電壓為負電壓。當門-源電壓低于某一閾值電壓時,P溝道MOS管開始導通。反之,當門-源電壓高于閾值電壓時,P溝道MOS管處于截止狀態。
3、噪聲特性
N溝道MOS管相對于P溝道MOS管具有較好的噪聲特性。其噪聲指標通常較低,這使得N溝道MOS管在靈敏電路和低噪聲放大器等應用中表現出色。
P溝道MOS管的噪聲特性相對較差,因此在噪聲要求較高的電路中不常使用。
聯系方式:鄒先生
聯系電話:0755-83888366-8022
手機:18123972950
QQ:2880195519
聯系地址:深圳市福田區金田路3037號金中環國際商務大廈2109
請搜微信公眾號:“KIA半導體”或掃一掃下圖“關注”官方微信公眾號
請“關注”官方微信公眾號:提供 MOS管 技術幫助
免責聲明:本網站部分文章或圖片來源其它出處,如有侵權,請聯系刪除。
