【保護電路】過流保護電路設計分享-KIA MOS管
信息來源:本站 日期:2023-05-26
過流保護
我們知道電路板損壞的重要現場之一就是過流導致器件燒毀,有的甚至起火冒煙引發事故。因此必須要進行功率保護設計,如常用的保險絲或者熱敏電阻就屬于其中簡單的一種,但是這種保護屬于粗略保護,如果需要針對性的進行電流檢測保護還是需要設計電路結構。
利用采樣電阻是我們常用的設計方式,通過采樣電阻進行電流檢測然后輸出控制信號。現在也有很多集成的IC專門來進行高低邊電流檢測的,如LT6100等。
過流保護主要在于電流檢測上,下面是利用電流鏡的方式采樣,IC內部設計采用此方式進行偏置電流設置,因為晶體管的電流是和溝道成比例的。
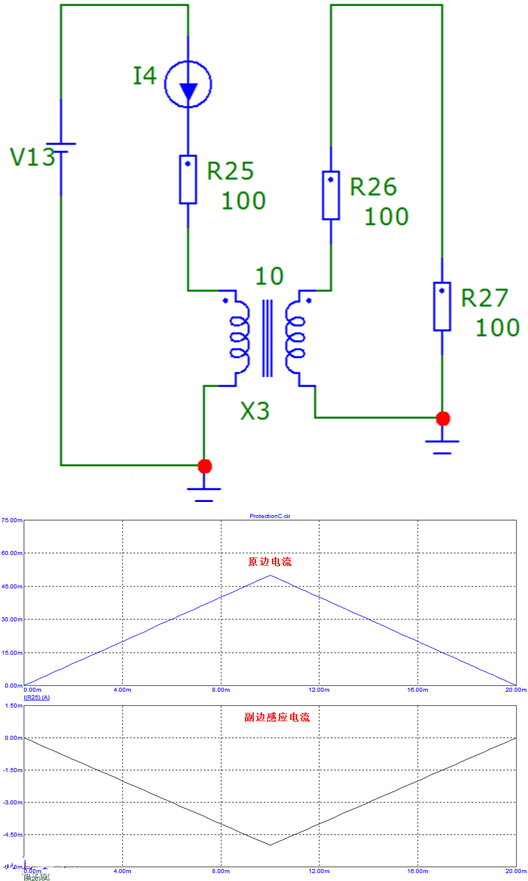
還有隔離型電流采樣的方式,如光耦和電流互感器。
利用互感來進行電流采樣應用很多,比如漏電保護器內部漏電檢測。
聯系方式:鄒先生
聯系電話:0755-83888366-8022
手機:18123972950
QQ:2880195519
聯系地址:深圳市福田區金田路3037號金中環國際商務大廈2109
請搜微信公眾號:“KIA半導體”或掃一掃下圖“關注”官方微信公眾號
請“關注”官方微信公眾號:提供 MOS管 技術幫助
免責聲明:本網站部分文章或圖片來源其它出處,如有侵權,請聯系刪除。
