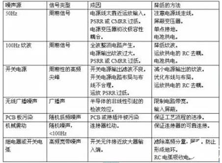
運放電路設計降低電源噪聲的措施-KIA MOS管
信息來源:本站 日期:2023-04-23
噪聲可以是隨機信號或重復信號,內部或外部產生,電壓或電流形式帶或寬帶,高頻或低頻。(在這里,我們將噪聲定義為任何在運放輸出端的無用信號)
噪聲通常包括器件的固有噪聲和外部噪聲,固有噪聲包括:熱噪聲、散彈噪聲和低頻噪聲(1/f噪聲)等;外部的噪聲通常指電源噪聲、空間耦合干擾等,通常通過合理的設計可以避免或減小影響。降低外部噪聲的影響對發揮低噪聲運放的性能至關重要。
常見外部噪聲源
電源紋波
在全波整流的線性穩壓供電的電路中,100Hz紋波是主要的電源噪聲,對于運放電路,100Hz噪聲電平通常要求控制在10nV-100nV(RTI)內,這取決于三個因素:運放在100Hz時的電源抑制比(PSRR),穩壓器的紋波抑制比及穩壓器的輸入濾波電容的大小。
圖1是ADI高壓放大器OP77的PSRR-頻率曲線,可以看出,OP77在100Hz時PSRR大約是76dB,要獲得不大于100nV(RTI)的性能,供電電源的紋波必須小于0.6mV。常用的三端穩壓一般能提供大約60dB的紋波抑制能力,在這種情況下,穩壓器的輸入濾波電容必須足夠大,以將輸入端的紋波限制在0.6V以下。
電源去耦
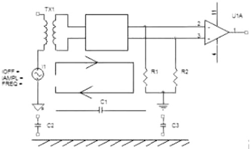
典型的串聯穩壓器供電的電源中包含有幅度為150uV,頻率范圍為100Hz-100KHz的噪聲,開關型電源更嚴重,運放的PSRR在高頻時以20dB/Decade的速度降低,通過在電源腳加RC或LC去耦網絡,能濾除大部分噪聲,電路形式如圖3。在使用RC去耦時,應該注意負載電流的變化會導致對電源腳上電壓的調制。
圖3:運放供電的RC去耦
電源調整率
任何電源電壓的變化都會引起運放輸入偏置電流的變化,圖1中OP77的PSRR在DC時是126dB(0.5uV/V),電源電壓的變化是一個潛在的低頻噪聲源。在低噪聲運放的應用中,降低電源的紋波和提高電源的調整率都很重要,電源調整率不足通常會引起討厭的低頻噪聲。
開關電源
開關電源是一個很嚴重的噪聲源,下圖是典型的開關電源輸出端的電壓波形:
圖4. 開關電源輸出端電壓波形
可以看出,噪聲頻譜既包含開關頻率及其諧波成分,還包含開關回路諧振引起的阻尼振蕩的高頻成分,從幾十KHz一直延續到幾十MHz,而普通的運放在幾百Hz以上時PSRR開始急劇下降,到幾百KHz時幾乎為零,此時,出現在輸出端的電源噪聲將很嚴重。
影響途徑和對策:
除了注意對運放PSRR或CMRR參數的選擇和加強運放供電去耦(如采用RC去耦)外,在開關電源供電設計中,還應注意如下一些方面:
電源中的噪聲可能通過基準源或PCB的漏電直接耦合到放大器的輸入端。要注意對電壓基準源輸出的濾波,對于PCB漏電,可在信號輸入引線與電源走線間加地線防護;
噪聲可能通過PCB走線之間的分布電容直接耦合到放大器輸入端,造成干擾。在PCB布線時,要注意電源線與弱信號線不要貼近平行走線,線凈距大于線寬的3倍(3W原則),并在電源線或數字信號線與模擬小信號線之間加地線隔離;
接地處理不當,噪聲通過公共阻抗影響敏感電路部分。為了防止公共阻抗將電源噪聲引入信號回路,要注意如下幾點:
接地上避免帶噪聲的大電流流過前級小信號地;單點接地,電源、模擬、數字電路分開接地;布板使用地平面層,最小化地線阻抗;開關電源輸出從最后一個濾波電容的地端引出電源地,避免從濾波電感前的電容的地端引出。
圖5:共模阻抗噪聲耦合示意圖
開關管漏極開關電壓驅動的位移電流,通過初次級分布電容,次級電路,次級對大地與雜散電容,大地與初級地之間的雜散電容形成環路,次級模擬電路中流過的共模電流流過不平衡的阻抗轉換成差模,對放大電路造成干擾(如圖6)。共模方式引入的干擾一般為開關噪聲中的高頻分量(數MHz以上)。
措施主要有如下三點:
--提供一條從開關電源次級地返回初級地的低阻抗噪聲旁路通道,通常使用1000p~2200p的安規電容;
--使用共模扼流圈加強開關電源的輸出的共模濾波;
--使用隔離技術,最小化回路中的共模電流。
圖6. 開關電源中的共模電流回路
通過空間磁場耦合到具有一定環路面積的信號回路或地線環中,造成對信號的影響。另外來自開關電源或市電網絡的高頻干擾可能通過空間雜散電容直接耦合到信號回路。
設計中的考慮包括
--合理的布局、調整電感線圈或變壓器放置方向、優化布線,減小關鍵信號的回路面積,避免形成地環路可以減小干擾;
--雙面或單面板布線,注意信號線和地線,電源線與地線一定要貼近平行走線;使用1000p電容射頻多點接地,可以兼顧EMC和低頻信噪比的需求;
--對敏感電路加屏蔽,注意屏蔽層連接到被保護信號的參考地;
--走線設計上注意電源線不要和信號線捆扎在一起。
小結:
在運放電路設計中降低電源噪聲的主要措施包括
--通過去耦、濾波等措施降低電源輸出的紋波和噪聲成分
--改善設計,提高電源電壓調整率
--合理電路結構、考究的PCB布線、合理的走線工藝
--選擇在敏感噪聲頻段的PSRR或CMRR較高的器件
聯系方式:鄒先生
聯系電話:0755-83888366-8022
手機:18123972950
QQ:2880195519
聯系地址:深圳市福田區金田路3037號金中環國際商務大廈2109
請搜微信公眾號:“KIA半導體”或掃一掃下圖“關注”官方微信公眾號
請“關注”官方微信公眾號:提供 MOS管 技術幫助
免責聲明:本網站部分文章或圖片來源其它出處,如有侵權,請聯系刪除。
