MOS管的工作機制及半導體結構-KIA MOS管
信息來源:本站 日期:2021-01-25
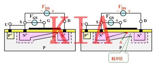
以增強型 MOS 管為例,我們先簡單來看下MOS管的工作機制。
MOS管的工作機制:由圖結構我們可以看到 MOS 管類似三極管,也是背靠背的兩個PN結。三極管的原理是在偏置的情況下注入電流到很薄的基區通過電子-空穴復合來控制CE之間的導通,MOS 管則利用電場來在柵極形成載流子溝道來溝通DS之間。
如上圖,在開啟電壓不足時,N區和襯底P之間因為載流子的自然復合會形成一個中性的耗盡區。給柵極提供正向電壓后,P區的少子(電子)會在電場的作用下聚集到柵極氧化硅下,最后會形成一個以電子為多子的區域,叫反型層,稱為反型因為是在P型襯底區形成了一個N型溝道區。這樣DS之間就導通了。
下圖是一個簡單的MOS管開啟模擬:
這是MOS管電流Id隨Vgs變化曲線,開啟電壓為1.65V。下圖是MOS管的IDS和VGS與VDS 之間的特性曲線圖,類似三極管。
MOS管的工作機制:下面我們先從器件結構的角度看一下MOS管的開啟全過程。
1、Vgs 對MOS 管的開啟作用
一定范圍內 Vgs》Vth,Vds《Vgs-Vth,Vgs 越大,反型層越寬,電流越大。這個區域為 MOS 管的線性區(可變電阻區)。即:
Vgs 為常數時,Vds 上升,Id 近似線性上升,表現為一種電阻特性。
Vds 為常數時,Vgs 上升,Id 近似線性上升,表現出一種壓控電阻的特性。
即曲線左邊
2、Vds對MOS管溝道的控制
當 Vgs》Vth,Vds《Vgs-Vth 時,分析同上曲線左側,電流Id隨Vds上升而上升,為可變電阻區。
當 Vds》Vgs-Vth 后,我們可以看到因為DS之間的電場開始導致右側的溝道變窄,電阻變大。所以電流Id增加開始變緩慢。當Vds增大一定程度后,右溝道被完全夾斷了。
此時DS之間的電壓都分布在靠近D端的夾斷耗盡區,夾斷區的增大即溝道寬度W減小導致的電阻增大抵消了Vds對Id的正向作用,因此導致電流Id幾乎不再隨Vds增加而變化。此時的D端載流子是在強電場的作用下掃過耗盡區達到S端。
這個區域為 MOS 管的恒流區,也叫飽和區,放大區。但是因為有溝道調制效應導致溝道長度 L 有變化,所以曲線稍微上翹一點。
重點備注:MOS 管與三極管的工作區定義差別
三極管的飽和區:輸出電流 Ic 不隨輸入電流 Ib 變化。
MOS 管的飽和區:輸出電流 Id 不隨輸出電壓 Vds 變化。
3、 擊穿
Vgs 過大會導致柵極很薄的氧化層被擊穿損壞。
Vds 過大會導致D和襯底之間的反向PN結雪崩擊穿,大電流直接流入襯底。
半導體結構
在半導體工藝里,如何制造 MOS 管的?
這就是一個 NMOS 的結構簡圖,一個看起來很簡單的三端元器件。具體的制造過程就像搭建積木一樣,在一定的地基(襯底)上依據設計一步步“蓋”起來。
聯系方式:鄒先生
聯系電話:0755-83888366-8022
手機:18123972950
QQ:2880195519
聯系地址:深圳市福田區車公廟天安數碼城天吉大廈CD座5C1
請搜微信公眾號:“KIA半導體”或掃一掃下圖“關注”官方微信公眾號
請“關注”官方微信公眾號:提供 MOS管 技術幫助

