聲光控延時開關電路,聲光控延時開關原理-KIA MOS管
信息來源:本站 日期:2025-01-13
聲光控制指通過利用聲音以及光線的變化來控制電路實現特定功能的一種電子學控制方法。
聲光控制延時節電電路包括聲控,光控傳感元件,放大器和由555構成的單穩態延時電路及降壓整流電路。它是一種內無接觸點,在特定環境光線下采用聲響效果激發拾音器進行聲電轉換來控制用電器的開啟,并經過延時后能自動斷開電源的節能電子開關。
聲光控制延時開關主要由聲控開關、光控開關、延時電路幾部分組成。聲控是通過柱極體話筒采集聲音,并產生脈沖信號。光控電路則是由光敏電阻控制,光敏電阻在有光和無光狀態下電阻阻值差距很大,能產生高低電平及通過邏輯器件控制電路。延時電路則是由電阻和電容組成的充放電電路組成,通過電容的充放電來實現的。
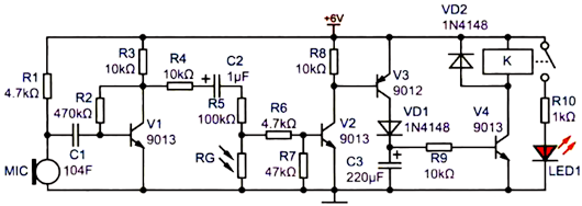
聲光控延時開關原理圖
上圖的聲、光雙控延時開關,在白天光照較強時,開關不動作。在夜晚光線較暗時,通過聲音,如拍手、跺腳、開門等聲音,開關將會動作,自動延時一段時間后,開關斷開,恢復原狀。
電路由聲音拾取放大、光控電路、延時控制三部分組成。MIC、V1、R1、R2、R3、C1組成語音放大電路,RG、R6、R7、R8、V2等組成光控電路,V3、V4、VD1、C3、R9、K等組成延時開關控制電路。
白天,光敏電阻RG受到較強光照,呈低阻狀態,V2的基極為低電平,V2是NPN管,所以V2截止。電源正極經過R8送入V3的基極,V3是PNP管,所以當V3基極處于高電平時,V3也截止。V4是NPN管,其基極為低電平,所以V4也處于截止狀態,繼電器K不動作,常開觸點所接LED1熄滅。
在晚間,由于光線較暗,RG呈現較高電阻,此時,如果有拍手等突發的聲音,則話筒MIC會接收到聲音,并將其轉換為電信號,該信號經過C1送入由V1組成的放大器,放大后的信號經過R4、C2、R5、R6送入V2的基極,V2、V3均開始導通,從V3的集電極輸出的電信號經VD1對C3充電,這個充電過程很快,因此V4的基極也很快呈現高電平。V4導通,繼電器K吸合,常開觸點閉合,LED1點亮。當拍手的聲音消失后,V2、V3截止,但由于C3上還存有電荷,通過R9向V4放電,V4維持導通,繼電器K也繼續處于吸合狀態。C3隨著放電的進行而存儲的電荷逐漸減少,V4的基極電位逐漸降低,直至截止,繼電器K線圈失電,常開觸點斷開,LED1熄滅,完成一次延時控制過程。
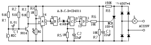
聲光控延時開關電路
這是一個聲光雙控延時燈電路。在白天時電燈L熄滅,無論外界有無聲音,也無論聲音有多大電燈處于熄滅狀態;到了夜晚,當有聲音發出時,電燈就會發亮,聲音消失后,仍能繼續發亮一段時間,之后熄滅。
電路由聲控、光控、邏輯、延時、執行、電源等六部分電路組成。
電路原理:
黑夜,在無聲時三極管9014處于飽和狀態,輸出低電位,與非門A輸出高電位,與非門B輸出低電位,二極管4148截止,與非門C輸入低電位,輸出高電位,與非門D輸出低電位,可控硅截止,電燈熄滅狀態;
白天,光敏電阻處于低阻狀態,與非門輸入低電位,與非門A輸出高電位,后續電路狀態同上;
黑夜當有聲音時,輸出信號負半周使9014進入截止狀態,輸出高電位,與非門A輸出低電位,與非門B輸出高電位,二極管4148導通,對電容充電,很快達到高電位,與非門C輸出低電位,與非門D輸出高電位,可控硅導通,電燈發亮,聲音消失后,電容繼續放電,保持與非門輸入高電位,當電位逐步降低時,與非門C反轉,電燈熄滅。
聯系方式:鄒先生
座機:0755-83888366-8022
手機:18123972950(微信同號)
QQ:2880195519
聯系地址:深圳市龍華區英泰科匯廣場2棟1902
搜索微信公眾號:“KIA半導體”或掃碼關注官方微信公眾號
關注官方微信公眾號:提供 MOS管 技術支持
免責聲明:網站部分圖文來源其它出處,如有侵權請聯系刪除。
