rc低通濾波器原理作用,rc低通濾波器電路-KIA MOS管
信息來源:本站 日期:2024-11-28
rc低通濾波器用于電路中將輸入信號中高頻成分濾除,使得輸出信號主要包含低頻成分。它由一個電阻(Resistor)和一個電容(Capacitor)組成,因此得名rc低通濾波器。
rc低通濾波器原理
rc低通濾波器的原理是利用電容器的充放電特性來濾除高頻信號,只允許低頻信號通過。
當輸入信號通過電阻和電容連接的電路時,電容會對高頻信號充放電速度較慢,而對低頻信號充放電速度較快。因此,高頻信號會被濾除,低頻信號則通過電路。

在rc低通濾波器中,電阻(R)和電容(C)的組合形成了一個低通濾波器回路。輸入信號經過電阻與電容并聯后,輸出信號從電容器的正極獲得。當輸入信號頻率較低時,電容的阻抗較高,會導致輸入信號流向輸出端的電流減小,從而實現了濾除高頻信號的效果。而高頻信號則被電容的阻抗所克服,從而不被濾波器輸出。
rc低通濾波器的截止頻率是指輸入信號頻率與輸出信號幅值相對降低的點。
rc低通濾波器的截止頻率計算可以使用以下公式:
fc = 1 / (2 * π * R * C)
其中,fc是截止頻率,π是圓周率(約等于3.14159),R是電阻的阻值(單位為歐姆),C是電容的電容值(單位為法拉)。
該公式表示的是截止頻率是由電阻和電容的乘積以及2π的乘積倒數計算得出的。截止頻率是指濾波器開始衰減輸入信號的頻率。
注意:這個公式是基于理想情況下的簡化模型,實際的濾波器電路可能還受到其他因素的影響,比如電阻和電容的偏差、電路的阻抗等。在實際設計中,可能需要進行一些微調和修正。
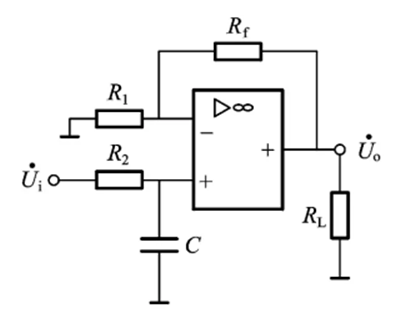
rc低通濾波器電路圖
在上圖中,R代表電阻的阻值,C代表電容的容值。輸入信號通過電阻R與電容C并聯后,在電容C的正極處獲得輸出信號。該電路實現了對輸入信號的濾波作用。
rc低通濾波器的作用
rc低通濾波器主要用于濾除高頻噪聲、平滑信號、去除不需要的頻率成分等。
信號預處理:在數據采集系統中,RC低通濾波器常被用作信號預處理電路,用于抑制高頻噪聲和干擾,提高信號質量。
電源濾波:在電源電路中,RC低通濾波器可以用于濾除電源輸出中的高頻紋波,提供更為穩定的直流電壓。
音頻處理:在音頻系統中,RC低通濾波器可以用于去除音頻信號中的高頻噪聲,改善音質。
通信系統:在通信系統中,RC低通濾波器可以用于限制信號帶寬,防止信號頻譜擴展造成的干擾。
聯系方式:鄒先生
座機:0755-83888366-8022
手機:18123972950(微信同號)
QQ:2880195519
聯系地址:深圳市龍華區英泰科匯廣場2棟1902
搜索微信公眾號:“KIA半導體”或掃碼關注官方微信公眾號
關注官方微信公眾號:提供 MOS管 技術支持
免責聲明:網站部分圖文來源其它出處,如有侵權請聯系刪除。
