48v電動車充電器電路圖分享-KIA MOS管
信息來源:本站 日期:2024-11-20
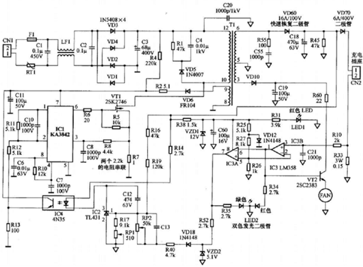
電動車充電器工作原理:
220v交流電→經T0雙向濾波抑制干擾→D1橋式整流堆為脈動直流,再經C11濾波形成穩定的300V左右的直流電。U1是TL3842脈寬調制集成電路。其5腳是電源負極,7腳是電源正極,6腳是脈沖輸出直接驅動場效應管 Q1(K1358)3腳是最大電流限制,調整R25(2.5歐姆)的阻值可以調整充電器的最大電流。2腳為電壓反饋,可以調節充電器的輸出電壓。4腳外接振蕩電阻R1,和振蕩電容C1。
T1是高頻脈沖變壓器,其作用有三個。第一是把高壓脈沖將壓為低壓脈沖。第二是起到隔離高壓的作用,以防觸電。第三是為uc3842提供工作電源。D4為高頻整流管(16A60V)C10為低壓濾波電容,D5為12V穩壓二極管,U3(TL431)是一塊精密基準電壓源,配合U2(光耦合器4N35)起到自動調節充電器電壓的作用。
調整w2(可調電阻器),慢慢微調,可以細調充電器的電壓。D10是電源指示燈。D6是充電指示燈。R27是電流取樣電阻(0.1歐姆,5w)改變W1的阻值可以調整充電器轉浮充的拐點電流(200-300mA)通電開始時,C11上有300v左右電壓。此電壓一路經T1加載到Q1。第二路經R5,C8,C3,達到U1的第7腳。強迫U1啟動。U1的6腳輸出方波脈沖,Q1工作,電流經R25到地。同時T1副線圈產生感應電壓,經D3,R12給U1。
工作原理:
220V 交流電經LF1 雙向濾波.VD1-VD4 整流為脈動直流電壓,再經C3 濾波后形成約300V 的直流電壓,300V 直流電壓經過啟動電阻R4 為脈寬調制集成電路IC1的7腳提供啟動電壓,IC1的7腳得到啟動電壓后,(7腳電壓高于14V時,集成電路開始工作),6腳輸出PWM 脈沖,驅動電源開關管(場效應管)VT1 工作在開關狀態, 流通過 VT1 的 S 極-D 極-R7-接地端.此時開關變壓器T1的8-9 繞產生感應電壓, 經VD6,R2為IC1的7腳提供穩定的工作電壓,4腳外接振蕩阻R10 和振蕩電容C7 決定IC1的振蕩頻率,IC2(TL431)為精密基準壓源,IC4(光耦合器4N35)配合用來穩定充電壓,調整RP1(510歐半可調電位器)可以細調充電器的電壓,LED1是電源指示燈.接通電源后該指示燈就會發出紅色的光。VT1開始工作后, 變壓器的次級6-5繞組輸出的電壓經快速恢復二極管VD60 整流,C18 濾波得到穩定的電壓(約53V).此電壓一路經二極管VD70(該二極管起防止電池的電流倒灌給充電器的作用)給電池充電,另一路經限流電阻R38,穩壓二極管VZD1,濾波電容C60,為比較器IC3(LM358)提供12V工作電源,VD12為IC3提供基準壓,經R25,R26,R27分壓后送到IC3的2腳和5腳。
正常充電時,R33上端有0.18-0.2V的電壓,此電壓經R10加到IC3的3腳,從1腳輸出高電平。1腳輸出的高電平信號分三路輸出,第一路驅動VT2導通,散熱風扇得開始工作,第二路經過電阻R34點亮雙色二極管LED2中的紅色發光二極管,第三路輸入到IC3的6腳,此時7腳輸出低電平,雙色發光二極管LED2中的綠色發光二極管熄滅,充電器進入恒流充電階段。當電池壓升到44.2V左右時,充電器進入恒壓充電階段,流逐漸減小。當充電流減小到200MA-300MA時,R33上端的電壓下降,IC3的3腳電壓低于2腳,1腳輸出低電平,雙色發光二極管LED2中的紅色發光二極管熄滅,三極管VT2截止,風扇停止運轉,同時IC3的7腳輸出高電平,此高電平一路經過電阻R35點亮雙色發光二極管LED2中的綠色發光二極管(指示電已經充滿,此時并沒有真正充滿,實際上還得一兩小時才能真正充滿),另一路經R52,VD18,R40,RP2到達IC2的1腳,使輸出電壓降低,充電器進入200MA-300MA的涓流充電階段(浮充),改變RP2的電阻值可以調整充電器由恒流充電狀態轉到涓流充電狀態的轉折流(200-300MA)。
聯系方式:鄒先生
座機:0755-83888366-8022
手機:18123972950(微信同號)
QQ:2880195519
聯系地址:深圳市龍華區英泰科匯廣場2棟1902
搜索微信公眾號:“KIA半導體”或掃碼關注官方微信公眾號
關注官方微信公眾號:提供 MOS管 技術支持
免責聲明:網站部分圖文來源其它出處,如有侵權請聯系刪除。
