濾波器電路,濾波器電路設計,濾波電路圖分享-KIA MOS管
信息來源:本站 日期:2024-01-30
濾波電路的基本作用是讓某種頻率的電流通過或阻止某種頻率的電流通過。另外是盡可能減小脈動的直流電壓中的交流成分,保留其直流成分,使輸出電壓紋波系數降低,波形變得比較平滑。
根據幅頻特性所表示的通過或阻止信號頻率范圍的不同,濾波器可分為低通濾波器(LPF)、高通濾波器(HPF)、帶通濾波器(BPF)、和帶阻濾波器(BEF)四種。
理想低通濾波器
圖是理想低通濾波器,它允許低頻信號無損耗地通過濾波器,當信號頻率超過截止頻率后,信號的衰減為無窮大。
理想高通濾波器
圖是理想高通濾波器,它與理想低通濾波器正好相反,允許高頻信號無損耗地通過濾波器,當信號頻率低于截止頻率后,信號的衰減為無窮大。

濾波器電路設計
許多音響裝置的頻譜分析器均使用此電路作為帶通濾波器,以選出各個不同頻段的信號,在顯示上利用發光二極管點亮的多少來指示出信號幅度的大小。這種有源帶通濾波器的中心頻率 ,在中心頻率fo處的電壓增益Ao=B3/2B1,品質因數 ,3dB帶寬B=1/(п*R3*C)也可根據設計確定的Q、fo、Ao值,去求出帶通濾波器的各元件參數值。R1=Q/(2пfoAoC),R2=Q/((2Q2-Ao)*2пfoC),R3=2Q/(2пfoC)。式中,當fo=1KHz時,C取0.01Uf。此電路亦可用于一般的選頻放大。 有源帶通濾波器電路
此電路亦可使用單電源,只需將運放正輸入端偏置在1/2V+并將電阻R2下端接到運放正輸入端既可。
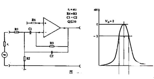
帶通濾波器原理圖
帶通濾波器原理圖該電路中事先確定R1的值,其大小與信號源內阻r1相近/參數選取原理是R4=R3,C1約等于C2,Q小于等于R1,500K》R》1K,0.5uF》C》200pF.
聯系方式:鄒先生
聯系電話:0755-83888366-8022
手機:18123972950(微信同號)
QQ:2880195519
聯系地址:深圳市福田區金田路3037號金中環國際商務大廈2109
請搜微信公眾號:“KIA半導體”或掃一掃下圖“關注”官方微信公眾號
請“關注”官方微信公眾號:提供 MOS管 技術幫助
免責聲明:本網站部分文章或圖片來源其它出處,如有侵權,請聯系刪除。
