BTL電路,BTL功率放大器圖文詳解-KIA MOS管
信息來源:本站 日期:2023-12-15
BTL 是英文Balanced Transformer Less 的簡寫,BTL功率放大器是一種橋接式推挽電路,功率放大器的輸出級與揚聲器間采用電橋式的連接方式,主要解決OCL、OTL功放效率雖高,但電源利用率不高的問題。
BTL功率放大器主要用于一些要求輸出功率比較大的場合,還用于一些低壓供電的放音機中。
與OCL、OTL功放相比,在相同的工作電壓和相同的負載條件下,BTL是它們輸出功率的3至4倍.在單電源的情況下,BTL可以不用輸出電容,電源的利用率為一般單端推挽電路的兩倍,適用于電源電壓低而需要獲得較大輸出功率的場合,在新型的集成功放電路中應用比較廣泛。
簡單的BTL放大器是兩個極性相反的OTL放大器或無變壓器的OCL放大器推動的。
圖所示是BTL-Ui功率放大器的電路結構示意圖。這種功率放大器由兩組功率放大器構成,揚聲器BL1接在兩組功率放大器的輸出端之間。同時,要給兩個功率放大器輸入大小相等、相位相反的信號。
基本工作原理是:在輸入信號Ui為正半周期間,輸入信號-Ui為負半周,輸入信號Ui經放大器1放大后從其輸出端輸出,這一輸出信號在輸出端為正半周信號。與此同時,輸入信號-Ui經放大器2放大后從其輸出端輸出,這一輸出信號為負半周。這樣,流過揚聲器BL1的電流方向為從上而下。
當輸入信號變化了半周后,輸入信號Ui為負半周,-Ui為正半周,這時兩個輸入信號經過各自的放大器放大后,放大器2輸出端輸出的是正半周信號,而放大器1輸出端輸出的是負半周信號,這時信號電流是從下而上地流過揚聲器BL1,在BL1中得到了一個完整的信號。
(1)輸出功率與OTL 電路相比,在相同直流工作電壓+V 和揚聲器阻抗相等時,輸出功率是OTL 電路的4 倍。由此可知,BTL 功率放大器的輸出功率大,在較低直流工作電壓下也能獲得較大的輸出功率,所以可以用于一些低壓供電的機器中作為功率放大器。
(2)功放輸出級所用元器件比OTL 輸出級多一倍,即兩組OTL(或兩組OCL)電路才能組成一組BTL 電路。
(3)輸出端無耦合電容,而且揚聲器不接地,即所謂的負載浮地,這對修理不方便,揚聲器很容易燒壞,這一點與OCL 電路相同。通常,在揚聲器回路中串一只保險絲對揚聲器進行過流保護,但是這種保護的效果不佳,所以有的設有專門的揚聲器保護電路。
(4) BTL 輸出級實際上由兩組OTL 電路組成,這樣就需要有兩個大小相等、相位相反的激勵信號。電路中需要有分負載放大器,也有些BTL 電路采用自倒相方式,即利用一組OTL 電路的輸出信號經衰減后送到另一組OTL電路的反向輸入端。
(1)流過揚聲器的信號電流是從一組電路輸出端流出,流入另一組電路的輸出端,當輸入信號變化了半周之后,揚聲器中的信號電流方向相反。
(2)分析BTL 功率放大器時,主要分析輸入端的信號源電路,即產生大小相等、相位相反兩個信號的電路。分析分負載放大器時,主要了解集電極電阻等于發射極電阻,集電極電流約等于發射極電流。
(3)揚聲器不接地,并不是說揚聲器某一端與地之間沒有直流電壓,只是揚聲器兩根引腳之間沒有直流電壓,所以沒有直流電流流過揚聲器。修理中,切不可將揚聲器的某一根引腳直接接地,否則會有很大的直流電流流過揚聲器,燒壞揚聲器。當BTL 輸出級出現故障時,兩組電路輸出的直流電壓不相等,將有很大的直流電流流過揚聲器,揚聲器也會被燒壞。
圖所示是分立元器件BTL 功率放大器原理電路。電路中,VT1 構成分負載放大級(也是推動級放大器),VT2~VT5 構成輸出級放大器。
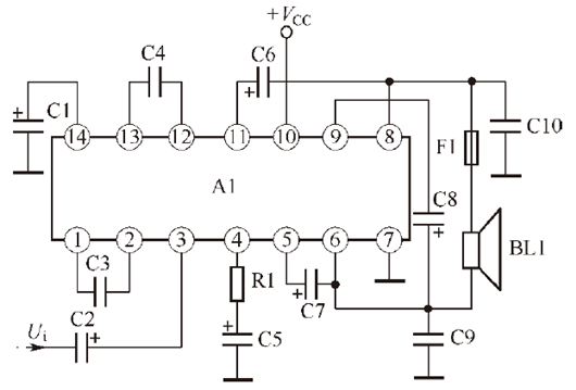
圖所示是單聲道BTL 音頻功率放大器集成電路。電路中,集成電路A1 內電路中具有兩組OTL 音頻功率放大器集成電路(因為采用單電源供電),還加入特殊的信號衰減電路(用于獲得兩個大小相等、相位相反的激勵信號), Ui是輸入信號,BL1 是揚聲器。
聯系方式:鄒先生
聯系電話:0755-83888366-8022
手機:18123972950(微信同號)
QQ:2880195519
聯系地址:深圳市福田區金田路3037號金中環國際商務大廈2109
請搜微信公眾號:“KIA半導體”或掃一掃下圖“關注”官方微信公眾號
請“關注”官方微信公眾號:提供 MOS管 技術幫助
免責聲明:本網站部分文章或圖片來源其它出處,如有侵權,請聯系刪除。
