n溝道mos管和p溝道mos管-KIA MOS管
信息來源:本站 日期:2023-08-28
金屬-氧化物-半導體(Metal-Oxide-SemIConductor)結構的晶體管簡稱MOS晶體管,有P型MOS管和N型MOS管之分。MOS管構成的集成電路稱為MOS集成電路,而PMOS管和NMOS管共同構成的互補型MOS集成電路即為CMOS集成電路。
上圖對比可知,對于P型MOSFET,其寄生體二極管的陽極與漏極相連,陰極與源極相連;而對于N型MOSFET,其寄生體二極管的陽極與源極相連,陰極與漏極相連。
P型MOSFET和N型MOSFET的體二極管的陰陽極連接剛好相反。因此P型MOSFET和N型MOSFET,雖然從外觀上無法區分,但是用萬用表測試其寄生體二極管的陰陽極與漏源極的連接關系,便可區分開來。
另外一種區分MOSFET是P型還是N型的方法是看開通該MOSFET,門極對源極是需要正電平還是負電平。
對于N型MOSFET,若要將其開通,需要門極對源極(VGS)加一個正電壓(該電壓需要高于該MOSFET的門限電壓),例如+10V。而對于P型MOSFET,如要將其開通,需要門極對源極(VGS)加一個負電壓(該負電壓需要低于該MOSFET的門限電壓),例如-10V。
MOS管的N溝道與P溝道之間的關系
純半導體的導電性能很差,但是可以通過加入一些特殊的雜質增強其導電能力。N型MOSFET會引入額外可移動的負電荷(電子),此時為N型(N溝道)參雜,在N型MOSFET中電子為多數載流子,空穴為少數載流子。P型MOSFET在半導體中產生帶正電荷的空穴,此時為P型(P溝道)參雜,在P型MOSFET中空穴為多數載流子,電子為少數載流子。
僅含有一個P--N結的二極管工作過程,如下圖所示,我們知道在二極管加上正向電壓時(P端接正極,N端接負極),二極管導通,其PN結有電流通過,這是因為在P型半導體端為正電壓時,N型半導體內的負電子被吸引而涌向加有正電壓的P型半導體端,而P型半導體端內的正電子則朝N型半導體端運動,從而形成導通電流。
同理,當二極管加上反向電壓(P端接負極,N端接正極)時,這時在P型半導體端為負電壓,正電子被聚集在P型半導體端,負電子則聚集在N型半導體端,電子不移動,其PN結沒有電流通過,二極管截止。
對于N溝道場效應管(見圖1),在柵極沒有電壓時,由前面分析可知,在源極與漏極之間不會有電流流過,此時場效應管處于截止狀態(圖1a),當有一個正電壓加在N溝道的MOS場效應管柵極時(見圖1b),
由于電場的作用,此時N型半導體的源極和漏極的負電子被吸引出來涌向柵極,但由于氧化膜的阻擋,使得電子聚集在兩個N溝道之間的P型半導體中(見圖1b),
從而形成電流,使源極和漏極導通,我們也可以想象為兩個N型半導體之間為一條溝,柵極電壓的建立相當于為它們之間搭建了一座橋梁,該橋的大小由柵壓的大小決定。
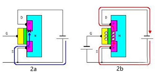
圖2給出了P溝道的MOS場效應管的工作過程,其工作原理類似。
1、從外形上看:
p溝道的mos管比同規格的n溝道的要粗一些;
2、從導電性能看:
p溝道和n溝道相比,前者要比后者的電阻低一些(當然這只是一個方面)。
3、從耐溫性看:
一般來說,相同規格下同等材質的情況下(如都是硅片),p溝道的耐高溫能力要強于n型。
4、從穩定性上比較:
由于工藝的不同導致兩者之間的差異較大;
5、從價格上分析:
由于制作工藝不同、原材料的不同以及成本等因素的影響使得兩者的價格相差較大。
KIA半導體是一家致力于功率半導體電子元器件研發與銷售的高新技術型企業,竭誠服務全球開關電源、綠色照明、電機驅動、汽車電子、新能源充電樁、太陽能設備、數碼家電、安防工程等行業長期合作伙伴,主動了解客戶需求,不斷研發創新,為客戶提供綠色、節能、高效的功率半導體產品。

聯系方式:鄒先生
聯系電話:0755-83888366-8022
手機:18123972950
QQ:2880195519
聯系地址:深圳市福田區金田路3037號金中環國際商務大廈2109
請搜微信公眾號:“KIA半導體”或掃一掃下圖“關注”官方微信公眾號
請“關注”官方微信公眾號:提供 MOS管 技術幫助
免責聲明:本網站部分文章或圖片來源其它出處,如有侵權,請聯系刪除。
