MOSFET搭建電源緩啟動電路分析-KIA MOS管
信息來源:本站 日期:2022-12-14
電源在進行插拔時,會有如下兩種情況出現:
1、電源連接器的機械觸點在接觸瞬間會出現彈跳;
2、由于系統大容量儲能電容的充電效應,系統中會出現很大的沖擊電流
上述兩種情況可能會引起連接器打火,引發火災;也可能會引起系統電源跌落,導致誤碼或系統重啟。
MOS管
MOS管有導通阻抗Rds低和驅動簡單的特點,利用其米勒效應,在電路設計中可以設計電源緩啟動電路(通常情況下,在正電源中用PMOS,在負電源中使用NMOS),可以實現防抖動延時上電、控制輸入電流的上升斜率和幅值等功能,提高電源穩定性。
電源緩啟動電路分析
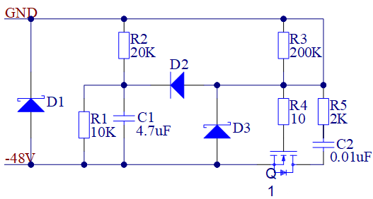
下圖是用 NMOS 搭建的一個 -48V 電源緩啟動電路:

1)D1是嵌位二極管,防止輸入電壓過大損壞后級電路;
2)R2和C1的作用是實現防抖動延時功能;
3)R1的作用是給C1提供一個快速放電通道,要求R1的分壓值大于D3的穩壓值;
4)R3和C2用來控制上電電流的上升斜率;
5)R4和R5的作用是防止MOS管自激振蕩,要求R4、R5<<R3;
6)嵌位二極管D3的作用是保護MOS管Q1的柵-源極不被高壓擊穿;
D2的作用是在MOS管導通后對R2、C1構成的防抖動延時電路和R3、C2構成的上電斜率控制電路進行隔離,防止MOS柵極充電過程受C1的影響。

聯系方式:鄒先生
聯系電話:0755-83888366-8022
手機:18123972950
QQ:2880195519
聯系地址:深圳市福田區金田路3037號金中環國際商務大廈2109
請搜微信公眾號:“KIA半導體”或掃一掃下圖“關注”官方微信公眾號
請“關注”官方微信公眾號:提供 MOS管 技術幫助
免責聲明:本網站部分文章或圖片來源其它出處,如有侵權,請聯系刪除。
