反激式、正激式開關電源區別分析-KIA MOS管
信息來源:本站 日期:2022-12-12
反激式開關電源
反激式開關電源是指使用反激高頻變壓器隔離輸入輸出回路的開關電源。“反激”指的是在開關管接通的情況下,當輸入為高電平時輸出線路中串聯的電感為放電狀態;相反,在開關管斷開的情況下,當輸入為高電平時輸出線路中的串聯的電感為充電狀態。
正激式開關電源
正激式變壓器開關電源輸出電壓的瞬態控制特性和輸出電壓負載特性,相對來說比較好,因此,工作比較穩定,輸出電壓不容易產生抖動,在一些對輸出電壓參數要求比較高的場合,經常使用。
主要區別
正激反激主要區別在高頻變壓器的工作方式不同但它們在同一象限上。正激是當變壓器原邊開關管導通時同時能量被傳遞到負載上,當開關管截止是變壓器的能量要通過磁復位電路去磁。
反激是和正激相反,當原邊開關管導通時給變壓器存儲能量。但能量不會加在負載上,當開關管截止時,變壓器的能量釋放到負載側。正激開關電源,后面多的那個二級管是續流二級管,一般輸出部分還會多加一個儲能電感,正激和反激最重要的區別是變壓器初次級的相位是反相的。
最大區別
正激與反激的工作最大區別是,當開關管關斷時,正激的輸出主要靠儲能電感和續流二級管來維持輸出,而反激的輸出主要靠變壓器次級釋放能量來維持輸出。正激電路不宜做多路輸出,正激電路要用脈寬調整做穩壓必須在次極整流以后串電感,不然輸出電壓主要由輸入決定,與脈寬影響不大,脈寬只影響輸出紋波。
如用正激電路做多路輸出原理上存在的問題:如每路輸出不用電感,那么對輸入變化沒有穩壓作用,且沒有開關電源應有的安全性。如果每路加電感:那么輸出電壓在理論上與負載大小有關,不參與反饋的回路就不正。
反激電路在原理上就適合多路輸出穩壓。反激電路首先儲能,后把能量按各路的電壓比率供應給每一路,先可以認為每路的輸出比例是不變的(實際有誤差看下面),按電流誰需要多給誰多的原則分配。
應用區別
正激式變壓器不蓄積能量,只擔負偶合傳輸,反激式變壓器需把開通過程中的能量蓄積在本身,關斷過程中再釋放:正激式繞組同相位,反激式繞組反相;正激式變壓器不用調節電感值,反激式需調節。正激式工作存在剩磁為防飽和需消磁電路,本身不蓄能需要蓄能線圈和續流二極管,反激式不用。
反激主要用在150-200瓦以下的情況,正激則用在150w到幾百瓦之間。之所以反激更廣范就是因為我們日常中100w以下的電源比較常見,應用比較常見,所以也就比較廣泛啦。原理就是一個通過儲能再通過變比進行變壓的,一個是直接通過變比進行變壓的。正激初級繞組同名端都是正極所以叫正激,反激一個在正,一個在負所以叫反激。
反激式可做小功率,成本低,調試相對簡單些,所以在小功率電源中常用。它們的區別:主變壓器方面, 正激的需增加消磁繞組,當然也有的用增加兩個二極管在主繞組進行消磁,無論如何正激電源必須增加消磁回路。反激不用增加輸出儲能電感,因為能量能儲存在次級線圈中 ,正激須增加輸出儲能電感,且整流部分需增加續流二極管。
一般在100W以內我們習慣用反激拓撲來做,超過100W的用正激比較合適。為何?
在計算反激開關電源時,反激功率做得越大,原邊電感量肯定是越小的,這跟拓撲的特性有關,我們先來分析一下反激的工作過程:
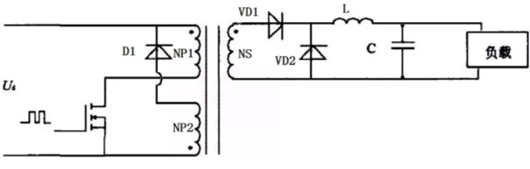
上圖為反激的基本拓撲,當MOS開關管開通時,變壓器原邊繞組上正,下方,此時變壓器副邊繞組上負下正,整流二極管VD截止,在MOS開通的時段,變壓器的勵磁能量由于沒有通路釋放從而全部存儲在變壓器中。
當MOS開關管關閉之后,變壓器原邊繞組電位變成下正上負,根據同名端,此時副邊繞組的電位為上正下負,整流二極管VD導通,變壓器釋放能量,磁芯復位。
就是這樣周而復始,使輸出穩壓。
由于這種不斷存儲又釋放存儲又釋放的工作模式決定變壓器的是很容易飽和的,為了控制變壓器不飽和,通常的做法就是加氣隙。
為了方便,我們用反激DCM的公式,簡單說明一下:
Lp:原邊感量,Ip:原邊電流,Vin最低輸入電壓,D:占空比,P輸入功率,f開關頻率
我們通過幾個簡單的公式就可以看出,反激電源的原邊電感量是受到了限制的。
再通過上面的公式,可知感量和Lp和峰值電流定了之后,要使磁芯不飽和,我們只能通過增大Np匝數來降低磁通密度,Np增大了,Lp是定了磁芯必然要加氣隙。有計算經驗的人都知道,反激變壓器尤其是功率打了變壓器感量都是比較小的。
下面我們來看看正激:
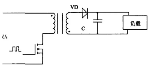
上圖為正激電源的基本拓撲,開關MOS管開通時,原邊繞組NP1為上正下負,根據同名端判定此時副邊繞組NS也為上正下負,輸出整流二極管VD1是導通的,原邊導通的同時副邊也導通,能量每個周期都能夠得到即時釋放。
變壓器不存在存儲階段,雖然原邊也有比較大的電流,但這電流大部分都是由副邊折射過來的,初級和次級是同時有電流的,而且產生的磁感應強度相等,方向相反,當負載變重,初級電流也相應加大,抵消了磁芯磁場的變化,所以正激不用考慮正激的電感量的大小,繞多大就是多大。
當然別忘記還有一部分勵磁電流,但由于電感量很大勵磁電流是很小的,開關MOS開通時,(不考慮功率部分,只考慮勵磁電流)變壓器原邊電感上陣下負,勵磁電流線性上升,等到開關MOS關閉時,NP1繞組下正上負,此時通過同名端可知,NP2上正下負D1導通,原邊電感存儲的勵磁能量通過NP2和D1釋放出去,返回到輸入大電容上,磁芯復位。當然變壓器也存在漏感,這部分漏感就生了正激的尖峰電壓。
通過上面的對比,我們可知,同樣一個功率變壓器,可得到如下結論。
1、反激變壓器的電感量很小,而正激變壓器的電感量很大。
2、反激變壓器通過副邊輸出繞組復位,正激變壓器有專門的復位繞組復位。
3、反激變壓器需要復位的勵磁能量但同時也是整個功率部分的能量,正激變壓器復位的也是勵磁部分的能量,但這個勵磁能量不包含功率部分的能量(暫且用能量這個詞,能明白就好)。
結論分析:
首先說反激,電感量跟正激比很小的。我們都只到變壓存在的漏感與很多因素有關,由于感量小,變壓器只要有一點漏感,這個漏感在整個原邊電感的占比是比較大的,而電感的能量1/2*Lp*Ip^2在電感和漏感中的比例是按照感量大小的比例來分配的,一旦漏感比例大了,漏感中存儲的能量是不能轉化到副邊,大部分是通過其它通路來消耗(轉換成損耗)的,可想而知,功率越大,感量越小,漏感比例越容易變大,造成的損耗也將越來越大,不但損耗超大而且這個漏感造成的尖峰將隨功率的增大而越來越大,非常難處理,或者說到了一定的功率量,根本無法處理。
我們再看正激,電感量跟反激比是很大的。由于感量大,變壓器就算有一定的漏感,但這個漏感在整個變壓器中所占的比例也是比較小的。漏感占比很小,浪費的能量肯定比較小,所產生的尖峰也很好處理。
通過上面的簡單描述,我相信大家也明白為何反激電源的功率就是做不大?并且還可以印證我們平時測量反激時DS尖峰是比較高的,而正激DS尖峰是非常小的。
聯系方式:鄒先生
聯系電話:0755-83888366-8022
手機:18123972950
QQ:2880195519
聯系地址:深圳市福田區金田路3037號金中環國際商務大廈2109
請搜微信公眾號:“KIA半導體”或掃一掃下圖“關注”官方微信公眾號
請“關注”官方微信公眾號:提供 MOS管 技術幫助
免責聲明:本網站部分文章或圖片來源其它出處,如有侵權,請聯系刪除。
