【電路分享】全橋式變壓器開關電源電路圖-KIA MOS管
信息來源:本站 日期:2022-08-26
全橋式變壓器開關電源也屬于雙激式變壓器開關電源。它同時具有推挽式變壓器開關電源電壓利用率高,又具有半橋式變壓器開關電源耐壓高的特點。
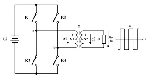
本文介紹的是全橋式變壓器開關電源電路圖。如下圖所示,圖中,K1、K2、K3、K4是4個控制開關,它們被 分成兩組;K1和K4為一組,K2和K3為另一組。
開關電源工作的時候,總是一組接通,另一組關斷,兩組控制開關輪流交替工作;T為開關變壓器,N1為變 壓器的初級線圈,N2為變壓器的次級線圈;Ui為直流輸入電壓,R為負載電阻;uo為輸出電壓,io為流過負載的電流。
當控制開關K1和K4與控制開關K2和K3正好組成一個電橋的兩臂,變壓器作為負載被跨接于電橋兩臂的中間。
在圖中,當控制開關K1和K4接通時候,電源電壓Ui被加到變壓器初級 線圈N1繞組的a、b兩端,同時,由于電磁感應的作用在變壓器次級線圈N2繞組的兩端也會輸出一個與N1繞組輸入電壓Ui成正比的電壓,并加到負載R的兩 端,使開關電源輸出一個正半周電壓。
當控制開關控制開關K1和K4由接通轉為關斷的時候,控制開關K2和K3則由關斷轉為接通,電源電 壓Ui被加到變壓器初級線圈N1繞組的b、a兩端;
同理,由于電磁感應的作用在變壓器次級線圈N2繞組的兩端也會輸出一個與N1繞組輸入電壓成正比的電 壓,并加到負載R的兩端,使開關電源輸出一個負半周電壓。
當控制開關K1和K4接通時候,電源電壓Ui被加到變壓器初級線圈N1繞組的a、b兩端,在變壓器 初級線圈N1繞組中將有電流經過,通過電磁感應會在變壓器的鐵心中產生磁場,并產生磁力線;
同時,在初級線圈N1繞組的兩端要產生自感電動勢e1,在次級 線圈N2繞組的兩端也會產生感應電動勢e2;感應電動勢e2作用于負載R的兩端,從而產生負載電流。
KIA半導體是一家致力于功率半導體電子元器件研發與銷售的高新技術型企業,竭誠服務全球開關電源、綠色照明、電機驅動、汽車電子、新能源充電樁、太陽能設備、數碼家電、安防工程等行業長期合作伙伴,主動了解客戶需求,不斷研發創新,為客戶提供綠色、節能、高效的功率半導體產品。
KIA生產的MOS管、場效應管的具體應用領域:
1. 工業領域:步進馬達驅動,電鉆工具,工業開關電源
2. 新能源領域:光伏逆變,充電樁,無人機
3. 交通領域:車載逆變器,汽車HID安定器,電動自動車
4. 綠色照明領域:CCFL節能燈。 LED照明電源,金鹵燈鎮流器
以上應用領域廣,型號也大不相同,根據參數的不同我們也會為你選擇更適合你的產品,有種精神叫堅持,目標始終沒有變,十年創新,我們領跑科技發展,
KIA本著“攜手客戶,創新設計,共同提升,服務市場”的理念,期待在您的大力支持下,使KIA成為MOSFET器件領域的優秀mos管品牌。
聯系方式:鄒先生
聯系電話:0755-83888366-8022
手機:18123972950
QQ:2880195519
聯系地址:深圳市福田區車公廟天安數碼城天吉大廈CD座5C1
請搜微信公眾號:“KIA半導體”或掃一掃下圖“關注”官方微信公眾號
請“關注”官方微信公眾號:提供 MOS管 技術幫助
免責聲明:本網站部分文章或圖片來源其它出處,如有侵權,請聯系刪除。
