自舉升壓結構設計雙電壓MOSFET驅動電路-KIA MOS管
信息來源:本站 日期:2022-04-12
在一些控制電路中,邏輯部分使用典型的5V或者3.3V數字電壓,而功率部分使用12V甚至更高的電壓。兩個電壓采用共地方式連接。
這就提出一個要求,需要使用一個電路,讓低壓側能夠有效的控制高壓側的MOS管,同時高壓側的MOS管也同樣會面對1和2中提到的問題。
在這三種情況下,圖騰柱結構無法滿足輸出要求,而很多現成的MOS驅動IC,似乎也沒有包含gate電壓限制的結構。
設計一個相對通用的電路來滿足這三種需求。
電路圖如下:
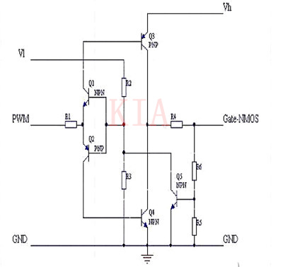
圖1 用于NMOS的驅動電路
圖2 用于PMOS的驅動電路
這里我只針對NMOS驅動電路做一個簡單分析:Vl和Vh分別是低端和高端的電源,兩個電壓可以是相同的,但是Vl不應該超過Vh。Q1和Q2組成了一個反置的圖騰柱,用來實現隔離,同時確保兩只驅動管Q3和Q4不會同時導通。
R2和R3提供了PWM電壓基準,通過改變這個基準,可以讓電路工作在PWM信號波形比較陡直的位置。 Q3和Q4用來提供驅動電流,由于導通的時候,Q3和Q4相對Vh和GND最低都只有一個Vce的壓降,這個壓降通 常只有0.3V左右,大大低于0.7V的Vce。
R5和R6是反饋電阻,用于對gate電壓進行采樣,采樣后的電壓通過Q5對Q1和Q2的基極產生一個強烈的負反饋, 從而把gate電壓限制在一個有限的數值。這個數值可以通過R5和R6來調節。
最后,R1提供了對Q3和Q4的基極電流限制,R4提供了對MOS管的gate電流限制,也就是Q3和Q4的Ice的限 制。必要的時候可以在R4上面并聯加速電容。
這個電路提供了如下的特性:
1,用低端電壓和PWM驅動高端MOS管。
2,用小幅度的PWM信號驅動高gate電壓需求的MOS管。
3,gate電壓的峰值限制
4,輸入和輸出的電流限制
5,通過使用合適的電阻,可以達到很低的功耗。
6,PWM信號反相。NMOS并不需要這個特性,可以通過前置一個反相器來解決。
自舉升壓電路的原理圖如圖1所示。所謂的自舉升壓原理就是,在輸入端IN輸入一個方波信號,利用電容Cboot將A點電壓抬升至高于VDD的電平,這樣就可以在B端輸出一個與輸入信號反相,且高電平高于VDD的方波信號。
具體工作原理如下:
當VIN為高電平時,NMOS管N1導通,PMOS管P1截止,C點電位為低電平。
同時N2導通,P2的柵極電位 為低電平,則P2導通。這就使得此時A點電位約為VDD,電容Cboot兩端電壓UC≈VDD。
由于N3導通,P4截止,所以B點的電位為低電平。這段時間稱為預充電周期。
當VIN變為低電平時,NMOS管N1截止,PMOS管P1導通,C點電位為高電平,約為VDD。同時N2、N3截止,P3導通。這使得P2的柵極電位升高,P2截止。
此時A點電位等于C點電位加上電容Cboot 兩端電壓,約為2VDD。而且P4導通,因此B點輸出高電平,且高于VDD。這段時間稱為自舉升壓周期。
實際上,B點電位與負載電容和電容Cboot的大小有關,可以根據設計需要調整。具體關系將在介紹電路具體設計時詳細討論。在圖2中給出了輸入端IN電位與A、B兩點電位關系的示意圖。
聯系方式:鄒先生
聯系電話:0755-83888366-8022
手機:18123972950
QQ:2880195519
聯系地址:深圳市福田區車公廟天安數碼城天吉大廈CD座5C1
請搜微信公眾號:“KIA半導體”或掃一掃下圖“關注”官方微信公眾號
請“關注”官方微信公眾號:提供 MOS管 技術幫助
免責聲明:本網站部分文章或圖片來源其它出處,如有侵權,請聯系刪除。
