場效應管:共源極放大器知識詳解-KIA MOS管
信息來源:本站 日期:2020-12-09
1.靜態工作點的測試
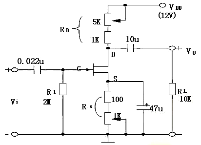
上圖為場效應管共源極放大器實驗電路圖。該電路采用的自給偏壓的方式為放大器建立靜態工作點,柵極通過R1接地,因R1中無電流流過,所以柵極與地等電位。即VG=0,可用萬用表測出靜態工作點IDQ和VDSQ值。
2.輸入輸出阻抗的測試
(1) 輸入阻抗的測量
上圖是伏安法測試放大電路的連接圖。其在輸入回路中串接一取樣電阻R,輸入信號調整在放大電路用晶體管毫對地的交流電壓VS與Vi,這樣求得兩端的電壓為VR=VS-Vi,流過電阻R的電流實際就是放大電路的輸入電流Ii。
根據輸入電阻的定義得:
(2)輸出阻抗的測量
共源極放大器輸出阻抗的大小,說明該放大器帶負載的能力。用伏安法測試放大電路的輸出阻抗的測試電路如下圖所示。放大器輸出阻抗的大小,說明該放大器帶負載的能 力。用伏安法測試放大電路的輸出阻抗的測試電路如下圖所示。
輸入信號的頻率仍選擇在放大電路的中頻段,輸入信號的大小仍調整到確保輸出信號不失真為條件,因此仍須用示波器監視輸出信號的波形。
第一步在不接負載RL的情況下,用毫伏表測得輸出電壓V01。
第二步在接上負載RL的情況下,用毫伏表測得輸出電壓V02。則:
(3)高輸入阻抗Zi的測試.
前面講了一般放大器輸入阻抗的測量方法,下面以場效應管源極跟隨器為例,介紹高輸入放大器的輸入阻抗的測試方法。
類似于源極跟隨器這樣的高輸入阻抗放大器的輸入阻抗.往往可以等效成一個輸入電阻Zi和一個輸入電容Ci的并聯形式,因此,必須分辨測出Ri和Ci的值才能確定輸入阻抗Zi的值。
測量Ri,由于被測電路的輸入阻抗很高,可以和毫伏表的輸入阻抗相比擬,若將毫伏表直接接到被測放大電路的輸入端,會引起嚴重的測試誤差.為了減少小毫伏表并聯接入引起的測量誤差,要求毫伏表的輸入電阻遠大于被測電路的輸入電阻,一般要求大于20倍以上。
對于一般的毫伏表來說,是無法滿足這樣的要求的,但是被測電路是一的源極跟隨器具有高輸入阻抗,低輸出阻抗的特點,因而,可以不直接測試放大電路的輸入電壓,而是測其輸出電壓。
如圖所示,電路中串入一個阻值較大的取樣電阻R,測試時先將電阻R短路,測出放大器的輸出電壓,U01=Au.Ui.再拆除R的短路線,測出輸出電壓U02,則由于兩次測試中Au和Ui都不變,從而可以從上面兩方程中求得放大電路的輸入電阻為:
1.基本要求
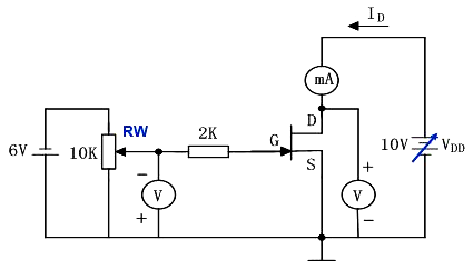
(1)結型場效應管的特性曲線測試
a.轉移特性曲線測試
按上圖接線,調節VDD使VDS=5V,然后調節RW(10KΩ)電位器,分別使VGS為0V ,-0.1V , - 0.2V ,-0.3 v,-0.4V ,-0.5V , - 0.6V , -1 V ,-2 V, 相應測出對應的各個漏極電流ID并記錄之,在坐標紙上畫出一條VDS=5V的轉換特性曲線。
b. 結型場效應管漏極特性曲線測試
調節Rw電位器,固定VGS=0V,調節VDD分別使場效應管漏源電壓VDS為0V,1V,2V,4V,6V,8V,10V,測出各對應的ID值,然后在坐標紙上將各點連成一條光滑的曲線。即可得VGS=0V時的一條漏極特性曲線。
c. 調節RW,分別固定VGS為-0.3V,-0.5V,重復上述步驟,即可得出VGS=-0.3V,VGS=-0.5V時的另外兩條特性曲線。
d. 跨導gm的測試
根據轉移特性曲線數值,求出VGS在-0.1v和-0.2v之間時的跨導:
(2)按照本文圖3-7連接一個結型場效應管共源放大電路。調節Rs使VGSQ=-0.2V,測量并記錄VDSQ、IDQ。已知輸入正弦波信號有效值 Vi=150mv f=1000HZ VDD=12V RL=20kΩ,選2SK163(N溝道耗盡型場效應管)。
(3)測量電路的放大倍數Av、輸入阻抗Ri、輸出阻抗Ro并記錄。
聯系方式:鄒先生
聯系電話:0755-83888366-8022
手機:18123972950
QQ:2880195519
聯系地址:深圳市福田區車公廟天安數碼城天吉大廈CD座5C1
請搜微信公眾號:“KIA半導體”或掃一掃下圖“關注”官方微信公眾號
請“關注”官方微信公眾號:提供 MOS管 技術幫助

